1 ПОРШНЕВАЯ, МАГНЕТО AL-KO мотокоса 104L EASY SOLO - 29CCM Артикул: 126589 с 04/2009 до 04/2011
2 КАРБЮРАТОР, ФИЛЬТР AL-KO мотокоса 104L EASY SOLO - 29CCM Артикул: 126589 с 04/2009 до 04/2011
3 БАК AL-KO мотокоса 104L EASY SOLO - 29CCM Артикул: 126589 с 04/2009 до 04/2011
4 СТАРТЕР AL-KO мотокоса 104L EASY SOLO - 29CCM Артикул: 126589 с 04/2009 до 04/2011
5 СТАРТЕР, СЦЕПЛЕНИЕ AL-KO мотокоса 104L EASY SOLO - 29CCM Артикул: 126589 с 04/2009 до 04/2011
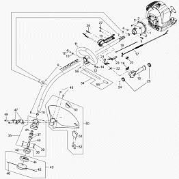
6 ШТАНГА, ТРОС ГАЗА AL-KO мотокоса 104L EASY SOLO - 29CCM Артикул: 126589 с 04/2009 до 04/2011