Разработано в Германии
Напрямую от Импортера
Доставка по России
Запчасти
Покупателю
Сервис
Доставка
Контакты
8 (812) 989-06-96
0
Главная страница
Каталог запчастей
Каталог запчастей AL-KO | Насосы & Станции | запчасти АЛКО по России и СПБ
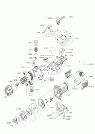
AL-KO автоматическая насосная станция HWA 3600 Easy Артикул: 113799
Назад
AL-KO автоматическая насосная станция HWA 3600 Easy Артикул: 113799
Увеличить
1 АЛКО AL-KO автоматическая насосная станция HWA 3600 Easy Артикул: 113799
Подробнее
Запчасти
Покупателю
Сервис
Доставка
Контакты
8 (812) 989-06-96