1 НОЖ, РЕМЕНЬ, КОЛЕСА, ТРОС AL-KO аэратор Combi Care 38 Р Comfort Артикул: 112799 с 01/2012 до 01/2018
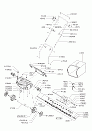
2 НОЖ, ДВИГАТЕЛЬ, РЕМЕНЬ AL-KO аэратор Combi Care 38 Р Comfort Артикул: 112799 с 01/2012 до 01/2018