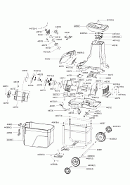
1 ЭЛЕКТРОДВИГАТЕЛЬ, НОЖИ, ЩЕТКИ AL-KO измельчитель Easy Crush LH 2800 Артикул: 112853 с 04/2013 до 05/2015 года Запчасти