Разработано в Германии Напрямую от Импортера Доставка по России

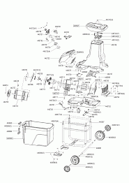
AL-KO Easy Crush LH 2800 Артикул: 112853 с 05/2015 года