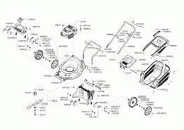
1 НОЖ, АДАПТЕР, РЕМЕНЬ, КОЛЕСА, ТРОС AL-KO газонокосилка Highline 46.5 P-A Артикул: 119616 с 08/2016 до 07/2019 года
AL-KO Highline 46.5 P-A Артикул: 119616 с 08/2016 до 07/2019 года Сервисные двигатели BRIGGS & STRATTON