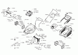
1 НОЖ, АДАПТЕР, РЕМЕНЬ, КОЛЕСА, ТРОС AL-KO газонокосилка Highline 46.8 P-A Артикул: 119841 с 03/2018 до 03/2019 года
AL-KO Highline 46.8 P-A Артикул: 119841 с 03/2018 до 03/2019 года Сервисные двигатели BRIGGS & STRATTON