1 НОЖ, АДАПТЕР, РЕМЕНЬ, КОЛЕСА, ТРОС AL-KO газонокосилка Highline 523 SP Артикул: 119467 с 05/2013 года
2 РУЧКА, ТРОС AL-KO газонокосилка Highline 523 SP Артикул: 119467 с 05/2013 года
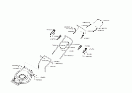
AL-KO Highline 523 SP Артикул: 119467 с 05/2013 года Сервисные двигатели BRIGGS & STRATTON