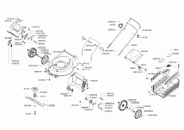
1 НОЖ, АДАПТЕР, КОЛЕСА, ТРАВОСБОРНИК AL-KO аккумуляторная Moweo 42.5 Li Артикул: 119705 с 03/2018 до 07/2019
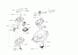
2 ДВИГАТЕЛЬ, АККУМУЛЯТОР AL-KO аккумуляторная Moweo 42.5 Li Артикул: 119705 с 03/2018 до 07/2019