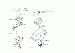
1 НОЖ, АДАПТЕР, КОЛЕСА, ТРАВОСБОРНИК AL-KO аккумуляторная Moweo 42.5 Li Артикул: 119705 с 06/2015 до 10/2015
2 ДВИГАТЕЛЬ, АККУМУЛЯТОР AL-KO аккумуляторная Moweo 42.5 Li Артикул: 119705 с 06/2015 до 10/2015