1 НОЖ, АДАПТЕР, КОЛЕСА, ТРАВОСБОРНИК AL-KO аккумуляторная Moweo 46.5 Li Артикул: 119706 с 08/2016 до 03/2018
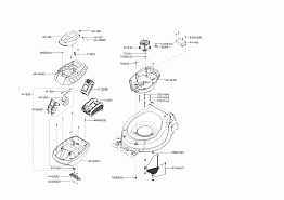
2 ДВИГАТЕЛЬ, АККУМУЛЯТОР AL-KO аккумуляторная Moweo 46.5 Li Артикул: 119706 с 08/2016 до 03/2018