Разработано в Германии
Напрямую от Импортера
Доставка по России
Запчасти
Покупателю
Сервис
Доставка
Контакты
8 (812) 989-06-96
0
Главная страница
Каталог запчастей
Каталог запчастей AL-KO | Насосы & Станции | запчасти АЛКО по России и СПБ
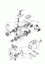
AL-KO насосная станция HW 3600 Easy Артикул: 113798
Назад
AL-KO насосная станция HW 3600 Easy Артикул: 113798
Увеличить
1 АЛКО AL-KO насосная станция HW 3600 Easy Артикул: 113798
Подробнее
Запчасти
Покупателю
Сервис
Доставка
Контакты
8 (812) 989-06-96