1 | Art. Nr.: 462292 AL-KO BENZIN MOTOR 160 FLA | МАГНЕТО - МАХОВИК - БАК | Ремонт | Запчасти СПБ |Запчасти по России
2 | Art. Nr.: 462292 AL-KO BENZIN MOTOR 160 FLA | ГОЛОВКА БЛОКА - КЛАПАНА - КАРБЮРАТОР | Ремонт | Запчасти СПБ |Запчасти по России
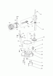
3 | Art. Nr.: 462292 AL-KO BENZIN MOTOR 160 FLA | ПОРШЕНЬ - КОЛЕНВАЛ - КОЛЬЦА - ШАТУН | Ремонт | Запчасти СПБ |Запчасти по России