1 | СТАРТЕР - ЦИЛИНДР | Art. Nr.: 479803 AL-KO B-MOTOR APL-TECH 165 OHV - 1P68F-B-02 | | с 01/2013 до 09/2013 года | Ремонт | Запчасти | в СПБ
2 | ГОЛОВКА БЛОКА - КЛАПАНА | Art. Nr.: 479803 AL-KO B-MOTOR APL-TECH 165 OHV - 1P68F-B-02 | | с 01/2013 до 09/2013 года | Ремонт | Запчасти | в СПБ
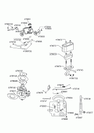
3 | БАК - КАРБЮРАТОР | Art. Nr.: 479803 AL-KO B-MOTOR APL-TECH 165 OHV - 1P68F-B-02 | | с 01/2013 до 09/2013 года | Ремонт | Запчасти | в СПБ
4 | МАГНЕТО - МАХОВИК - ПОРШЕНЬ - КОЛЕНВАЛ - КОЛЬЦА - ШАТУН | Art. Nr.: 479803 AL-KO B-MOTOR APL-TECH 165 OHV - 1P68F-B-02 | | с 01/2013 до 09/2013 года | Ремонт | Запчасти | в СПБ