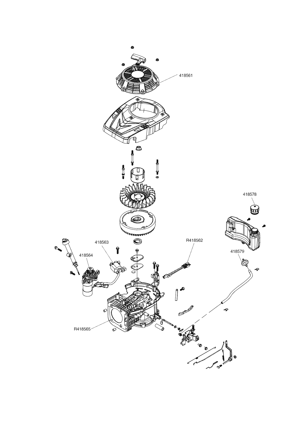
1 | Art. Nr.: 493099 AL-KO B-MOTOR PRO 225 LC1P75F R9005 EU5 | СТАРТЕР - ЦИЛИНДР - МАГНЕТО | Ремонт | Запчасти СПБ |Запчасти по России
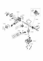
2 | Art. Nr.: 493099 AL-KO B-MOTOR PRO 225 LC1P75F R9005 EU5 | КАРБЮРАТОР - ПОРШЕНЬ - КОЛЕНВАЛ - КОЛЬЦА - ШАТУН | Ремонт | Запчасти СПБ |Запчасти по России