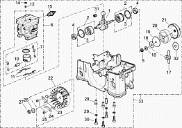
1 ПОРШЕНЬ, ЦИЛИНДР solo by AL-KO бензопила 643 Артикул: 126568 с 02/2009 до 02/2011 года
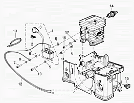
2 МАГНЕТО, СВЕЧА solo by AL-KO бензопила 643 Артикул: 126568 с 02/2009 до 02/2011 года
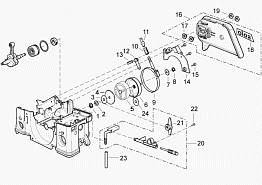
3 КАРБЮРАТОР, ФИЛЬТР, ГЛУШИТЕЛЬ solo by AL-KO бензопила 643 Артикул: 126568 с 02/2009 до 02/2011 года
4 МАСЛОНАСОС, СЦЕПЛЕНИЕ, ЗВЕЗДОЧКА solo by AL-KO бензопила 643 Артикул: 126568 с 02/2009 до 02/2011 года
5 КАРТЕР, ПРОБКИ solo by AL-KO бензопила 643 Артикул: 126568 с 02/2009 до 02/2011 года
6 СТАРТЕР, БАРАБАН, ПРУЖИНА solo by AL-KO бензопила 643 Артикул: 126568 с 02/2009 до 02/2011 года
7 РУЧКА solo by AL-KO бензопила 643 Артикул: 126568 с 02/2009 до 02/2011 года
8 ЦЕПЬ, КРЫШКА, НАТЯЖИТЕЛЬ solo by AL-KO бензопила 643 Артикул: 126568 с 02/2009 до 02/2011 года