Разработано в Германии Напрямую от Импортера Доставка по России

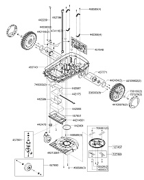
Solo by AL-KO газонокосилка-робот Robolinho® 700 E Артикул: 127446 с 02/2018 до 01/2019 года