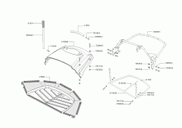
1 РАМА КОЖУХА solo by AL-KO трактор T 15-103.7 HD-A Артикул: 127418 с 02/2019 года
2 РАМА СЦЕПЛЕНИЕ solo by AL-KO трактор T 15-103.7 HD-A Артикул: 127418 с 02/2019 года
3 КОЛЕСА РЕМЕНЬ ШКИВ solo by AL-KO трактор T 15-103.7 HD-A Артикул: 127418 с 02/2019 года
4 КОРОБКА ПЕРЕДАЧ solo by AL-KO трактор T 15-103.7 HD-A Артикул: 127418 с 02/2019 года
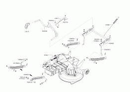
5 ПОДКЛЮЧЕНИЕ ПРИВОДА solo by AL-KO трактор T 15-103.7 HD-A Артикул: 127418 с 02/2019 года
6 ДЕКА РЕМЕНЬ НОЖ АДАПТЕР ШКИВ solo by AL-KO трактор T 15-103.7 HD-A Артикул: 127418 с 02/2019 года
7 АККУМУЛЯТОР solo by AL-KO трактор T 15-103.7 HD-A Артикул: 127418 с 02/2019 года
8 ТРАВОСБОРНИК solo by AL-KO трактор T 15-103.7 HD-A Артикул: 127418 с 02/2019 года
9 ПРОВОДКА solo by AL-KO трактор T 15-103.7 HD-A Артикул: 127418 с 02/2019 года
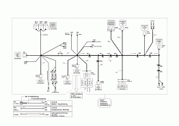
10 ПРОВОДКА ПОДКЛЮЧЕНИЯ solo by AL-KO трактор T 15-103.7 HD-A Артикул: 127418 с 02/2019 года
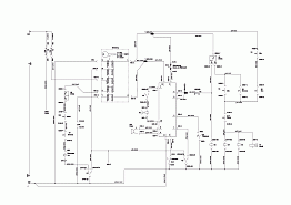
11 ЭЛЕКТРОСХЕМА solo by AL-KO трактор T 15-103.7 HD-A Артикул: 127418 с 02/2019 года