1 РАМА КОЖУХА solo by AL-KO трактор T 20-105.6 HD V2 Артикул: 127371 с 03/2018 по 05/2018 года
2 РАМА СЦЕПЛЕНИЕ solo by AL-KO трактор T 20-105.6 HD V2 Артикул: 127371 с 03/2018 по 05/2018 года
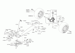
3 КОЛЕСА РЕМЕНЬ ШКИВ solo by AL-KO трактор T 20-105.6 HD V2 Артикул: 127371 с 03/2018 по 05/2018 года
4 КОРОБКА ПЕРЕДАЧ solo by AL-KO трактор T 20-105.6 HD V2 Артикул: 127371 с 03/2018 по 05/2018 года
5 ПОДКЛЮЧЕНИЕ ПРИВОДА solo by AL-KO трактор T 20-105.6 HD V2 Артикул: 127371 с 03/2018 по 05/2018 года
6 ДЕКА РЕМЕНЬ НОЖ АДАПТЕР ШКИВ solo by AL-KO трактор T 20-105.6 HD V2 Артикул: 127371 с 03/2018 по 05/2018 года
7 АККУМУЛЯТОР solo by AL-KO трактор T 20-105.6 HD V2 Артикул: 127371 с 03/2018 по 05/2018 года
8 ТРАВОСБОРНИК solo by AL-KO трактор T 20-105.6 HD V2 Артикул: 127371 с 03/2018 по 05/2018 года
9 ПРОВОДКА solo by AL-KO трактор T 20-105.6 HD V2 Артикул: 127371 с 03/2018 по 05/2018 года
10 ПРОВОДКА ПОДКЛЮЧЕНИЯ solo by AL-KO трактор T 20-105.6 HD V2 Артикул: 127371 с 03/2018 по 05/2018 года
11 ЭЛЕКТРОСХЕМА solo by AL-KO трактор T 20-105.6 HD V2 Артикул: 127371 с 03/2018 по 05/2018 года