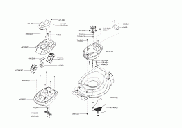
1 НОЖ, АДАПТЕР, КОЛЕСА, ТРАВОСБОРНИК AL-KO газонокосилка аккумуляторная Moweo 46.5 Li Артикул: 119706 с 06/2015 до 08/2016
2 ДВИГАТЕЛЬ, АККУМУЛЯТОР AL-KO газонокосилка аккумуляторная Moweo 46.5 Li Артикул: 119706 с 06/2015 до 08/2016