Разработано в Германии Напрямую от Импортера Доставка по России

2 | AL-KO газонокосилка-робот Robolinho® 100 Артикул: 119781 | АЛКО ЗАПЧАСТИ | ПО РОССИИ | СПБ

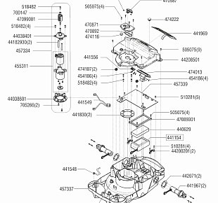
Ссылка № АртикулИспользуется штук Наименование Цена
44038401 44038401

DECKEL MOTORTOPF HV R9005 67MM
Используется в агрегатах

1491 i
44038601 44038601

F?HRUNGSRING HV ROBOLINHO 67MM R9005
Используется в агрегатах

1470 i
440629 440629

SCHAUMSTOFF AKKU ROBO 100
Используется в агрегатах

1958 i
441154 441154

AKKU LI-ION ROBOLINHO 41,62WH
Используется в агрегатах

56777 i
441548 441548

KABELBAUM SCHLEIFENSENSOR
Используется в агрегатах

8763 i
441549 441549

KABELBAUM GRUNDPLATTE MIT STECKER
Используется в агрегатах

9519 i
441556 441556

KABELBAUM H?LLENAUSL U PLATINE
Используется в агрегатах

19088 i
44182930 44182930

F?HRUNGSSTANGE VERZ
Используется в агрегатах

1716 i
441830 441830

DICHTUNGSRING MESSERANTRIEB D66
Используется в агрегатах

1581 i
441967 441967

ANTRIEBSMOTOR ROBO 3000 U KABEL KCL KPL
Используется в агрегатах

86816 i
441969 441969

TASTATURFOLIE ROBOM?HER 1000/3000
Используется в агрегатах

27548 i
44200201 44200201

HALTEKLAMMER ROBOLINHO 3100 R9005
Используется в агрегатах

1270 i
442071 442071

DICHTUNG ANTRIEBSMOTOR ROBO KCL
Используется в агрегатах

1491 i
442083 442083

KABELCLIP METALL 2X?6 SCHWARZ
Используется в агрегатах

1313 i
44208501 457159

DECKEL ROBOLINHO 1100 / 3100 R9005
Используется в агрегатах

15698 i
454186 454186

SHR PT-K 25X8 1452 A2K
Используется в агрегатах

1131 i
454186 454186

SHR PT-K 25X8 1452 A2K
Используется в агрегатах

1131 i
455311 45507310

МОТОР ROBOLINO KPL 67MM KCL
Используется в агрегатах

44781 i
457334 457334

M?HMOTOR UND HV ROBOLINHO KPL 67MM
Используется в агрегатах

44934 i
457337 457337

GRUNDPLATTE ROBO 110 D68 R9005 VORM
Используется в агрегатах

13398 i
457339 457339

HAUPTPLATINE ROBO AL-KO KPL 119781
Используется в агрегатах

206714 i
470871 470871

FEDERLAGERUNG
Используется в агрегатах

1423 i
470892 470892

FEDERARRETIERUNG HV ROBOLINHO
Используется в агрегатах

1533 i
47089301 47089301

BATTERIEHALTER ROBOLINHO R9005
Используется в агрегатах

1533 i
470987 470987

GRIFF H?HENVERSTELLUNG ROBOLINHO
Используется в агрегатах

1402 i
47099001 47099001

FEDERARRETIERUNG HV ROBOLINHO R9005
Используется в агрегатах

1445 i
474013 474013

DISPLAY ROBOLINHO
Используется в агрегатах

18839 i
474116 474116

LOCHSTOPFEN F?R D16 055016800003
Используется в агрегатах

1182 i
474187 474187

DICHTH?LSE KABELF?HRUNG
Используется в агрегатах

1182 i
474222 474222

BEL?FTUNGSELEMENT ROBOLINHO
Используется в агрегатах

3677 i
474480 474480

KABELHALTER ROBOLINHO
Используется в агрегатах

1284 i
505075 505075

SHR PT-K 35X14 1451 A2K
Используется в агрегатах

1141 i
505075 505075

SHR PT-K 35X14 1451 A2K
Используется в агрегатах

1141 i
510281 518485

Винт
Используется в агрегатах

25 i
510281 518485

Винт
Используется в агрегатах

25 i
510759 510759

SHR PT-K 30X12 1451 A2K
Используется в агрегатах

1131 i
518482 518482

Винт
Используется в агрегатах

1182 i
518482 518482

Винт
Используется в агрегатах

1182 i
700147 703451

SHB 5,3 9021-ST VZ
Используется в агрегатах

941 i
705266 705266

SHR 5X 16 965-4.8-H ZNNI8F
Используется в агрегатах

1202 i