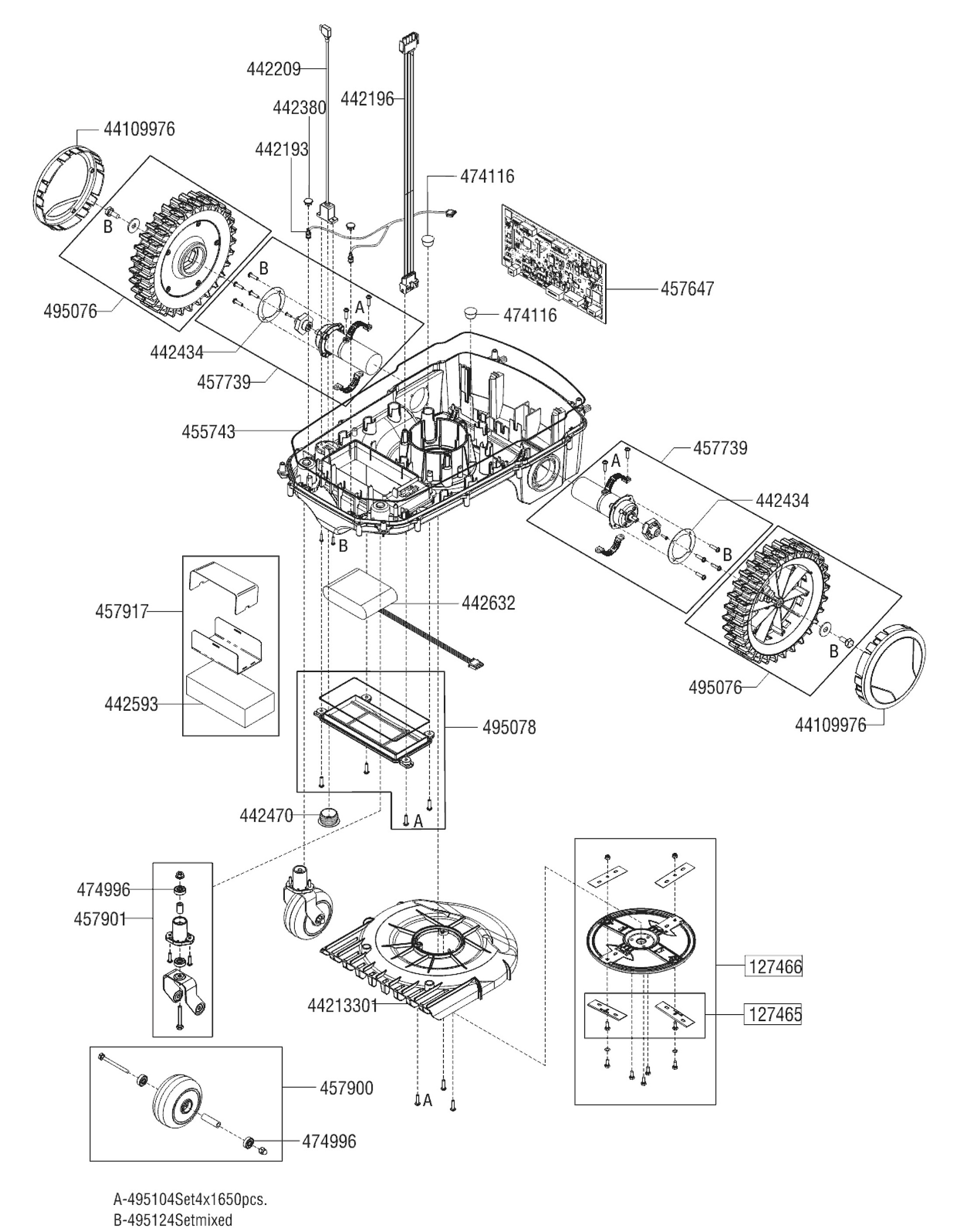
 |
127465 |
127465 |
|
Ножи
Используется в агрегатах
|
17790 i |
|
 |
127466 |
127466 |
|
Комплект
Используется в агрегатах
|
18503 i |
|
 |
44109976 |
44109976 |
|
RADBLENDE AL-KO ROBO GEN III RAL7016
Используется в агрегатах
|
1513 i |
|
 |
44213301 |
44213301 |
|
MESSERABDECKUNG ROBO GEN III R9005
Используется в агрегатах
|
3523 i |
|
 |
442193 |
442193 |
|
KABELBAUM SCHLEIFENSENSOREN ROBO GEN III
Используется в агрегатах
|
5998 i |
|
 |
442196 |
442196 |
|
KABELBAUM BATTERIE ROBO GEN III
Используется в агрегатах
|
3142 i |
|
 |
442209 |
442209 |
|
USB-SERVICESCHNITTSTELLENKABEL ROBO
Используется в агрегатах
|
3066 i |
|
 |
442380 |
442380 |
|
VERSCHLUSSKAPPE 9,5X13,5X6 ROBO GEN III
Используется в агрегатах
|
1182 i |
|
 |
442434 |
442434 |
|
DICHTUNG ANTRIEBSM ROBO GEN III DONGZHEN
Используется в агрегатах
|
1245 i |
|
 |
442470 |
442470 |
|
DICHTSTOPFEN G1 ZOLL ROBO GEN III
Используется в агрегатах
|
1533 i |
|
 |
442593 |
442593 |
|
SCHAUMSTOFFUNTERLAGE ROBO GEN III
Используется в агрегатах
|
1716 i |
|
 |
442632 |
442632 |
|
Аккумулятор AKKU LI-ION
Используется в агрегатах
|
52178 i |
|
 |
455743 |
455743 |
|
MOOSGUMMI RUNDSCHNUR 3MM F?R ETL
Используется в агрегатах
|
2608 i |
|
 |
457647 |
457647 |
|
HAUPTPLATINE ROBO 500 E KPL 119833 ET
Используется в агрегатах
|
129881 i |
|
 |
457739 |
457739 |
|
ANTRIEBSM ROBO GEN III DONG ZHENG KPL K?
Используется в агрегатах
|
39715 i |
|
 |
457900 |
457900 |
|
VORDERRAD ROBO GEN III KPL
Используется в агрегатах
|
8111 i |
|
 |
457901 |
457901 |
|
VORDERB?GEL ROBO GEN III KPL
Используется в агрегатах
|
9969 i |
|
 |
457917 |
457917 |
|
ABSCHIRMBLECHE ROBO GEN III KPL ET
Используется в агрегатах
|
8429 i |
|
 |
474116 |
474116 |
|
LOCHSTOPFEN F?R D16 055016800003
Используется в агрегатах
|
1182 i |
|
 |
474996 |
474996 |
|
LAGER TYP 626 2RSH NIROSTA
Используется в агрегатах
|
1869 i |
|
 |
495076 |
495076 |
|
ANTRIEBSRAD ROBO AL-KO GEN III KPL ET
Используется в агрегатах
|
7178 i |
|
 |
495078 |
495078 |
|
AKKUFACHDECKEL ROBO AL-KO GEN III KPL ET
Используется в агрегатах
|
4521 i |
|