 |
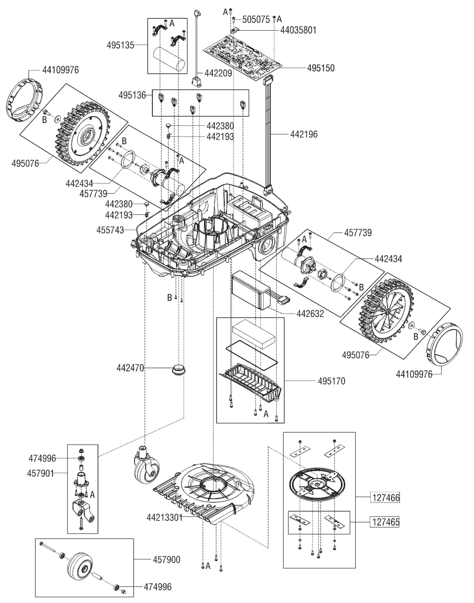
127465 |
127465 |
|
Ножи
Используется в агрегатах
|
17790 i |
|
 |
127466 |
127466 |
|
Комплект
Используется в агрегатах
|
18503 i |
|
 |
44035801 |
44035801 |
|
HALTEKLAMMER DECKEL ROBO 100 R9005
Используется в агрегатах
|
1313 i |
|
 |
44109976 |
44109976 |
|
RADBLENDE AL-KO ROBO GEN III RAL7016
Используется в агрегатах
|
1513 i |
|
 |
44213301 |
44213301 |
|
MESSERABDECKUNG ROBO GEN III R9005
Используется в агрегатах
|
3523 i |
|
 |
442193 |
442193 |
|
KABELBAUM SCHLEIFENSENSOREN ROBO GEN III
Используется в агрегатах
|
5998 i |
|
 |
442196 |
442196 |
|
KABELBAUM BATTERIE ROBO GEN III
Используется в агрегатах
|
3142 i |
|
 |
442209 |
442209 |
|
USB-SERVICESCHNITTSTELLENKABEL ROBO
Используется в агрегатах
|
3066 i |
|
 |
442380 |
442380 |
|
VERSCHLUSSKAPPE 9,5X13,5X6 ROBO GEN III
Используется в агрегатах
|
1182 i |
|
 |
442434 |
442434 |
|
DICHTUNG ANTRIEBSM ROBO GEN III DONGZHEN
Используется в агрегатах
|
1245 i |
|
 |
442470 |
442470 |
|
DICHTSTOPFEN G1 ZOLL ROBO GEN III
Используется в агрегатах
|
1533 i |
|
 |
442632 |
442632 |
|
Аккумулятор AKKU LI-ION
Используется в агрегатах
|
52178 i |
|
 |
455743 |
455743 |
|
MOOSGUMMI RUNDSCHNUR 3MM F?R ETL
Используется в агрегатах
|
2608 i |
|
 |
457739 |
457739 |
|
ANTRIEBSM ROBO GEN III DONG ZHENG KPL K?
Используется в агрегатах
|
39715 i |
|
 |
457900 |
457900 |
|
VORDERRAD ROBO GEN III KPL
Используется в агрегатах
|
8111 i |
|
 |
457901 |
457901 |
|
VORDERB?GEL ROBO GEN III KPL
Используется в агрегатах
|
9969 i |
|
 |
474996 |
474996 |
|
LAGER TYP 626 2RSH NIROSTA
Используется в агрегатах
|
1869 i |
|
 |
495076 |
495076 |
|
ANTRIEBSRAD ROBO AL-KO GEN III KPL ET
Используется в агрегатах
|
7178 i |
|
 |
495135 |
495135 |
|
ZUSATZGEWICHT+BEFESTIGUNG KPL GENIII+ ET
Используется в агрегатах
|
8140 i |
|
 |
495136 |
495136 |
|
5 STK. KABELBIN BLINDLOC ROBO GENIII+ ET
Используется в агрегатах
|
3744 i |
|
 |
495150 |
495150 |
|
HAUPTPLATINE ROBO 500 W KPL 119925 ET
Используется в агрегатах
|
129881 i |
|
 |
495170 |
495170 |
|
AKKUFACHDECKEL ROBO GEN III+ KPL ET
Используется в агрегатах
|
7024 i |
|
 |
505075 |
505075 |
|
SHR PT-K 35X14 1451 A2K
Используется в агрегатах
|
1141 i |
|