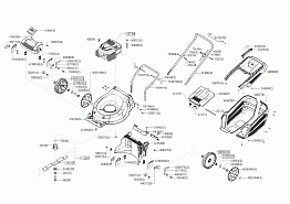
1 НОЖ, АДАПТЕР, РЕМЕНЬ, КОЛЕСА, ТРОС AL-KO газонокосилка Highline 46.8 P-A Артикул: 119841 с 11/2017 до 03/2018 года
AL-KO Highline 46.8 P-A Артикул: 119841 с 11/2017 до 03/2018 года Сервисные двигатели BRIGGS & STRATTON