Разработано в Германии Напрямую от Импортера Доставка по России

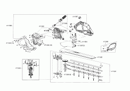
AL-KO HT 440 Basic Cut Артикул: 112679 с 08/2010 года