Официальный сервис
Доставка по России
Оригинальные запчасти
Для сервисных центров
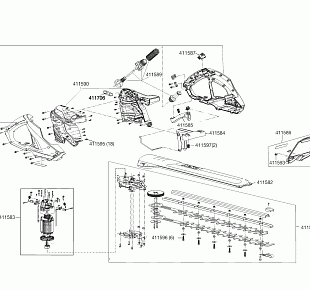
MESSER HT 440 Используется в агрегатах
MESSERSCHUTZ Используется в агрегатах
двигатель НТ 440, не поставляется Используется в агрегатах
SCHALTGRIFF Используется в агрегатах
SCHALTWIPPE Используется в агрегатах
HANDSCHUTZ Используется в агрегатах
SCHALTER Используется в агрегатах
AUSSENGEH?USE HT 440-550 Используется в агрегатах
ANSCHLUSSKABEL KPL. Используется в агрегатах
MOTORGEH?USE Используется в агрегатах
винт PT-KB 3,9 * 13 Используется в агрегатах
SCHRAUBE PT-KB 3,9 * 16 Используется в агрегатах
винт PT-KB 2,9 * 10 Используется в агрегатах
BOLZEN Используется в агрегатах
FEDER Используется в агрегатах
WASSERWAAGE Используется в агрегатах