1 НОЖ, АДАПТЕР, КОЛЕСА, ТРАВОСБОРНИК AL-KO аккумуляторная Moweo 46.5 Li SP Артикул: 119707 с 06/2015 до 08/2016
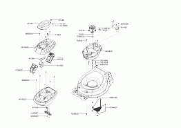
2 ДВИГАТЕЛЬ, АККУМУЛЯТОР AL-KO аккумуляторная Moweo 46.5 Li SP Артикул: 119707 с 06/2015 до 08/2016