Разработано в Германии
Напрямую от Импортера
Доставка по России
Запчасти
Покупателю
Сервис
Доставка
Контакты
8 (812) 989-06-96
0
Главная страница
Каталог запчастей
Каталог запчастей AL-KO | Насосы & Станции | запчасти АЛКО по России и СПБ
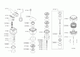
AL-KO Насос погружной DIVE 5500/3 Артикул: 113036
Назад
AL-KO Насос погружной DIVE 5500/3 Артикул: 113036
Увеличить
1 АЛКО AL-KO Насос погружной DIVE 5500/3 Артикул: 113036
Подробнее
Запчасти
Покупателю
Сервис
Доставка
Контакты
8 (812) 989-06-96