Разработано в Германии Напрямую от Импортера Доставка по России

1 АЛКО AL-KO насос садовый JET 802 Артикул: 112450 с 03/2008 года

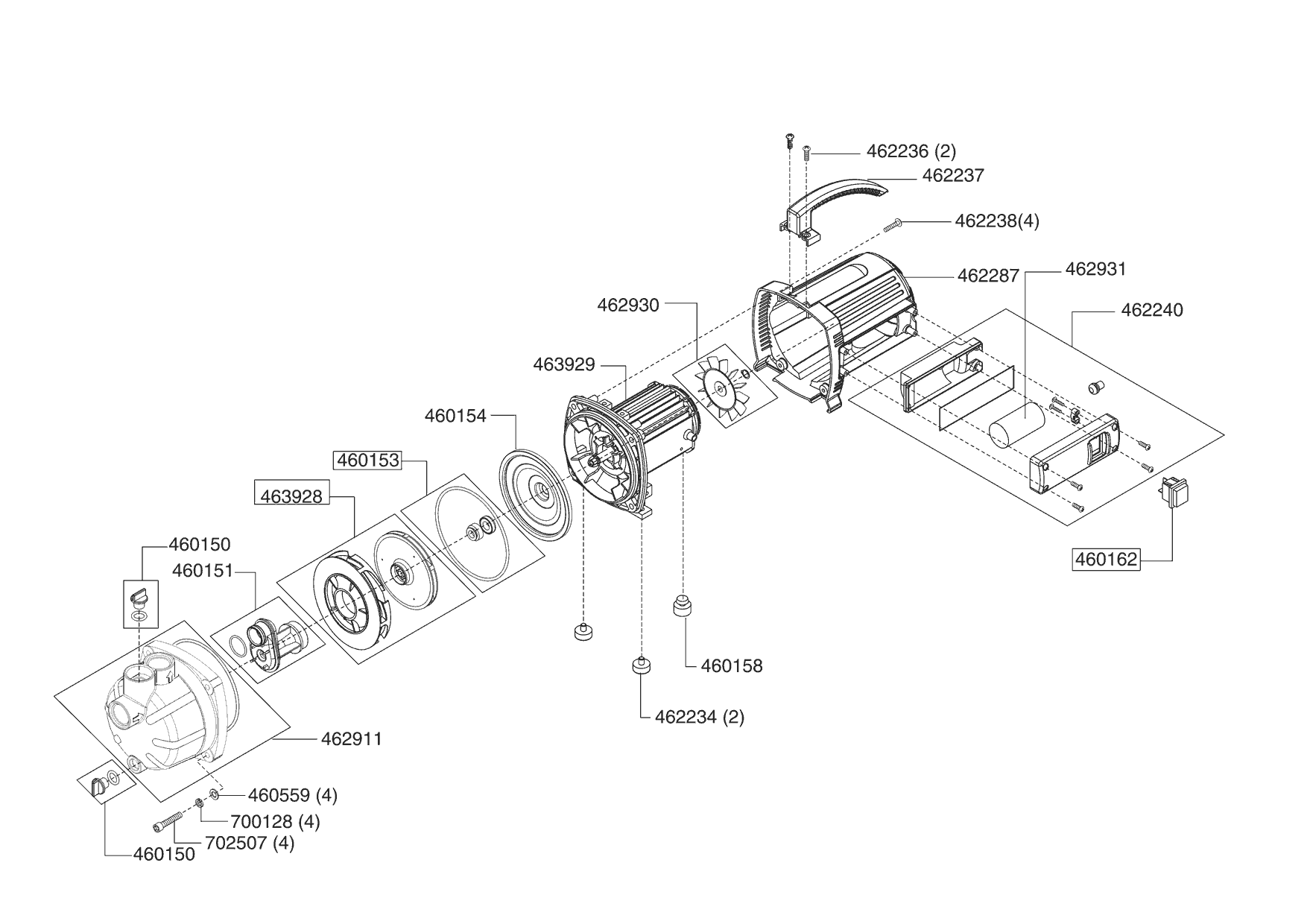
Ссылка № АртикулИспользуется штук Наименование Цена
460150 46015002

Заглушка >>> 46015002
Используется в агрегатах

2061 i
В наличии 6 шт.
Обновлено 20.04.2026 (14:42)
460151 467632J

Инжектор + Кольцо уплотнительное
Используется в агрегатах

3013 i
В наличии 18 шт.
Обновлено 20.04.2026 (14:42)
460153 477014J

Набор сальников
Используется в агрегатах

1283 i
В наличии 8 шт.
Обновлено 20.04.2026 (14:42)
460154 460154

F?HRUNG LAUFRAD
Используется в агрегатах

8197 i
460158 460158

F?SSE JET 801
Используется в агрегатах

1716 i
460162 460162

SCHALTER JET
Используется в агрегатах

3473 i
460559 460559

SCHEIBE
Используется в агрегатах

1666 i
462234 462234

KUNSTSTOFFU?
Используется в агрегатах

1292 i
462236 462236

SCHRAUBE
Используется в агрегатах

1202 i
462237 46223702

No longeravailable, replacement article 46223702
Используется в агрегатах

2810 i
462238 462238

SCHRAUBE
Используется в агрегатах

1202 i
462240 462240

SCHALTERGEH?USE JET 601
Используется в агрегатах

5526 i
462287 46228701

No longeravailable, replacement article 46228701
Используется в агрегатах

6935 i
462911 462911

Корпус помпы >>> (460155) пластик
Используется в агрегатах

12215 i
В наличии 6 шт.
Обновлено 20.04.2026 (14:42)
462930 462930

L?FTERFL?GEL KPLT 802
Используется в агрегатах

2165 i
462931 462931

KONDENSATOR 16UF MIT KABEL
Используется в агрегатах

5833 i
463928 463928

Рабочее колесо+диффузор >> 462241J
Используется в агрегатах

2739 i
В наличии 7 шт.
Обновлено 20.04.2026 (14:42)
463929 463929

MOTOR 802 INOX
Используется в агрегатах

42952 i
700128 700128

RG FED- B 8 DIN127 VZ
Используется в агрегатах

1131 i
702507 702507

No longeravailable
Используется в агрегатах

1224 i