Разработано в Германии Напрямую от Импортера Доставка по России

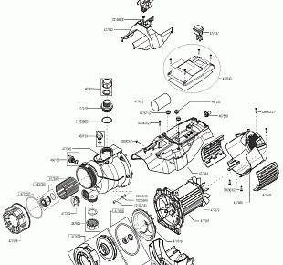
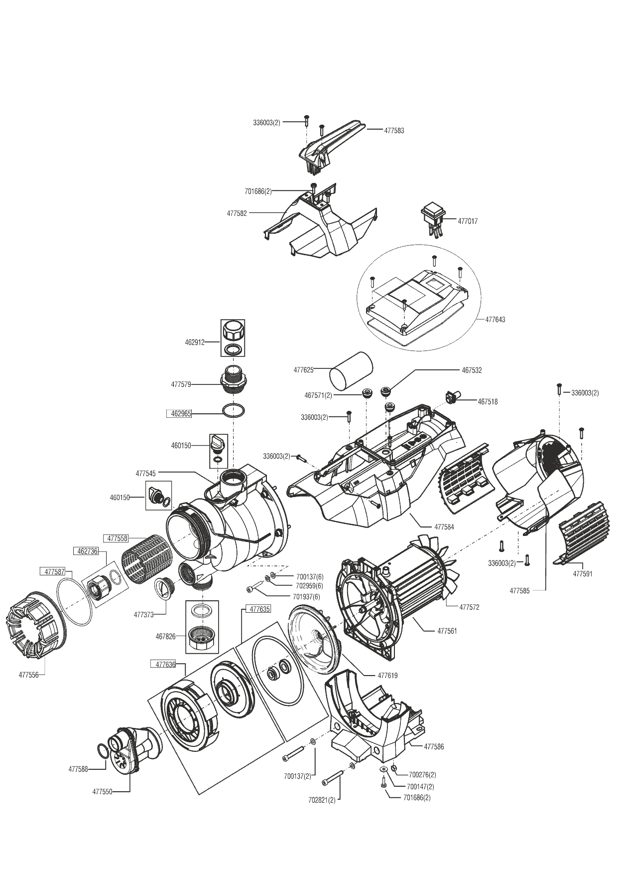
1 АЛКО AL-KO садовый насос Jet 3600 Easy Артикул: 113797

Ссылка № АртикулИспользуется штук Наименование Цена
336003 336003

Винт
Используется в агрегатах

1153 i
460150 46015002

Заглушка >>> 46015002
Используется в агрегатах

2061 i
В наличии 6 шт.
Обновлено 20.04.2026 (14:42)
462736 462736

Обратный клапан
Используется в агрегатах

3013 i
В наличии 6 шт.
Обновлено 20.04.2026 (14:42)
462912 462912

Пробка-заглушка
Используется в агрегатах

1716 i
462965 462965

Уплотнительное кольцо
Используется в агрегатах

1399 i
467518 467518

Патрубок
Используется в агрегатах

2068 i
467532 467532

Уплотнение
Используется в агрегатах

2068 i
467571 467571

Заглушка
Используется в агрегатах

2068 i
467826 467826

Пробка слива насоса
Используется в агрегатах

2924 i
477017 477017

Выключатель
Используется в агрегатах

3565 i
477373 477373

Крышка
Используется в агрегатах

3787 i
477545 477545

Корпус насоса
Используется в агрегатах

8197 i
В наличии 8 шт.
Обновлено 20.04.2026 (14:42)
477550 477550

Инжектор
Используется в агрегатах

2913 i
477556 477556

Крышка фильтра
Используется в агрегатах

4262 i
В наличии 1 шт.
Обновлено 20.04.2026 (14:39)
477558 477558

Фильтр
Используется в агрегатах

3199 i
477561 477561

Электромотор
Используется в агрегатах

38731 i
477572 477572

Вентилятор
Используется в агрегатах

1334 i
477579 477579

Переходник
Используется в агрегатах

1445 i
477582 477582

Верхняя часть корпуса
Используется в агрегатах

1666 i
477583 477583

Ручка
Используется в агрегатах

1355 i
477584 477584

Крышка электродвигателя
Используется в агрегатах

3003 i
477585 477585

Дефлектор
Используется в агрегатах

1869 i
477586 477586

Накладка под двигатель
Используется в агрегатах

2226 i
477587 477587

Резиновое уплотнение крышки фильтра
Используется в агрегатах

1153 i
477588 477588

Резиновое уплотнение инжектора
Используется в агрегатах

1153 i
477591 477591

Решетка
Используется в агрегатах

1355 i
477619 477619

Тарелка
Используется в агрегатах

2560 i
477625 477625

Конденсатор
Используется в агрегатах

3966 i
477635 477635

Комплект уплотнений
Используется в агрегатах

2180 i
В наличии 4 шт.
Обновлено 20.04.2026 (14:42)
477636 477636

Крыльчатка в сборе
Используется в агрегатах

5959 i
477643 477643

Крышка
Используется в агрегатах

2647 i
700137 700137

Шайба
Используется в агрегатах

1153 i
700137 700137

Шайба
Используется в агрегатах

1153 i
700147 703451

Шайба
Используется в агрегатах

941 i
700276 704536

Гайка
Используется в агрегатах

1124 i
701686 701686

Винт 5*16
Используется в агрегатах

1160 i
701937 701937

Винт 6*30
Используется в агрегатах

1173 i
702821 702821

Винт 6*45
Используется в агрегатах

1292 i
702959 702959

Шайба
Используется в агрегатах

Недоступен к заказу