Разработано в Германии
Напрямую от Импортера
Доставка по России
Запчасти
Покупателю
Сервис
Доставка
Контакты
8 (812) 989-06-96
0
Главная страница
Каталог запчастей
Снегоуборщики AL-KO | запчасти по России и СПБ | Сервис | Ремонт
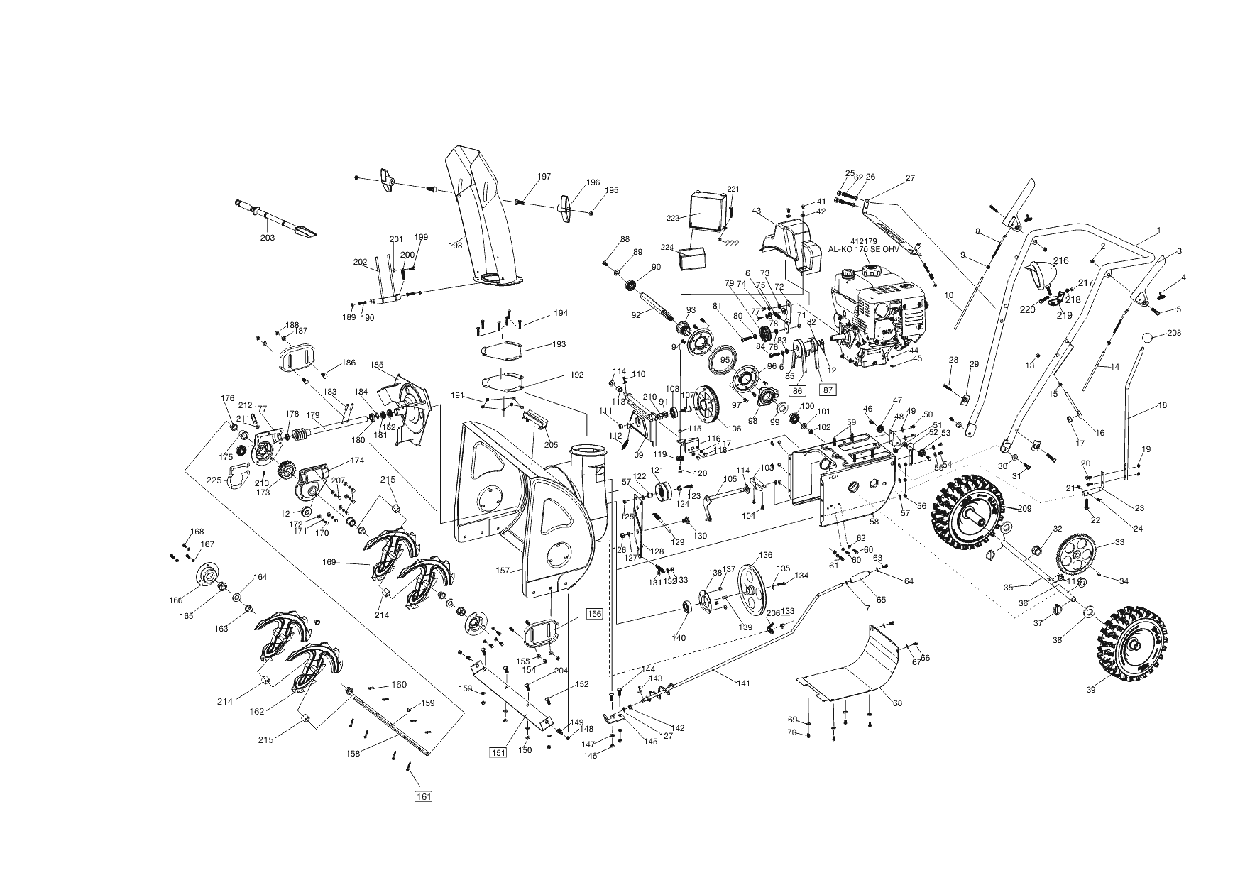
AL-KO снегоуборщик SnowLine 620E Артикул: 112861
Назад
AL-KO снегоуборщик SnowLine 620E Артикул: 112861
Увеличить
1 ШНЕК КОЛЕСА ТРОС ШЕСТЕРНИ РЕМНИ AL-KO снегоуборщик SnowLine 620E Артикул: 112861
Подробнее
Запчасти
Покупателю
Сервис
Доставка
Контакты
8 (812) 989-06-96