Разработано в Германии Напрямую от Импортера Доставка по России

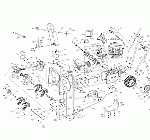
1 ШНЕК КОЛЕСА ТРОС ШЕСТЕРНИ РЕМНИ AL-KO снегоуборщик SnowLine 620E Артикул: 112861

Ссылка № АртикулИспользуется штук Наименование Цена
1 412036

SCHIEBEHOLM
Используется в агрегатах

28300 i
2 704537

MU 6KT 8 DIN985- 8 A3B
Используется в агрегатах

989 i
3 412037

SCHALTHEBEL
Используется в агрегатах

7505 i
4 412038

GUMMIKAPPE
Используется в агрегатах

1513 i
5 700558

SHR 8X 45 DIN933- 8.8 VZ
Используется в агрегатах

1182 i
6 412060

SCHEIBE
Используется в агрегатах

1270 i
7 412039

SCHEIBE 10X20X1
Используется в агрегатах

1805 i
8 412040

JUSTIERTEIL KABELZUG
Используется в агрегатах

1958 i
9 412040

STELLMUTTER M5
Используется в агрегатах

1958 i
10 412042

KABELZUG FAHRANTRIEB
Используется в агрегатах

5869 i
В наличии 1 шт.
Обновлено 20.04.2026 (14:39)
11 412043

SEEGERRING 19
Используется в агрегатах

1805 i
12 412044

SIMMERRING 30X19X7
Используется в агрегатах

2857 i
13 704537

MU 6KT 8 DIN985- 8 A3B
Используется в агрегатах

989 i
14 412045

KABELZUG FR?SE
Используется в агрегатах

5341 i
15 500073

MU VERBUS-TENSI W196 M 8 A3C
Используется в агрегатах

1173 i
16 412046

HANDKURBELF?HRUNG
Используется в агрегатах

11035 i
17 412047

GUMMIPUFFER
Используется в агрегатах

1545 i
18 412048

SCHALTHEBEL
Используется в агрегатах

4283 i
19 337176

MU VERBUS-TENSI W196 M 6 A3C
Используется в агрегатах

1202 i
20 700496

SHR 6X 20 DIN912- 8.8 ROH
Используется в агрегатах

1153 i
21 704536

MU 6KT 6 DIN985- 8 A3B
Используется в агрегатах

1124 i
22 703574

SHR 6X 20 DIN933- 8.8 A3C
Используется в агрегатах

1891 i
23 412049

VERBINDER SCHALTHEBEL
Используется в агрегатах

6239 i
24 700702

SHR 6X 25 DIN933- 8.8 VZ
Используется в агрегатах

1153 i
25 704536

MU 6KT 6 DIN985- 8 A3B
Используется в агрегатах

1124 i
26 703363

SHR 6X 35 DIN933- 8.8 ZNNI8F
Используется в агрегатах

1182 i
27 412050

RASTBLECH SCHALTUNG
Используется в агрегатах

5288 i
28 701521

SHR 8X 40 DIN933- 8.8 VZ
Используется в агрегатах

1224 i
29 412051

KLEMMSCHEIBE HOLM
Используется в агрегатах

2005 i
30 700150

SHB 8,4 9021-ST VZ
Используется в агрегатах

766 i
31 704546

SHR 8X 20 DIN933- 8.8 A3B
Используется в агрегатах

1173 i
32 412052

SINTERBUCHSE
Используется в агрегатах

3919 i
33 412053

ZAHNRAD
Используется в агрегатах

22097 i
34 412054

HALBRUNDKEIL 5X7,5X19
Используется в агрегатах

1426 i
35 412055

SPANNSTIFT 35X4
Используется в агрегатах

1313 i
36 417799

RADACHSE 595MM
Используется в агрегатах

14382 i
37 412057

FEDERSTECKER
Используется в агрегатах

2857 i
38 412058

SCHEIBE 19,5X38X1,5
Используется в агрегатах

1426 i
39 414015

RAD KPL. LINKS 4.10-6
Используется в агрегатах

33226 i
41 412061

SCHRAUBE 6X10
Используется в агрегатах

1402 i
42 700137

SHB A 6,4 DIN125-ST VZ
Используется в агрегатах

1153 i
43 412062

RIEMENSCHUTZ
Используется в агрегатах

4144 i
44 704537

MU 6KT 8 DIN985- 8 A3B
Используется в агрегатах

989 i
45 704539

SHB A 10,5 DIN125-ST A3C D
Используется в агрегатах

1131 i
46 412063

SCHRAUBE
Используется в агрегатах

2093 i
47 412064

UMLENKROLLE
Используется в агрегатах

1601 i
48 412065

BEF.WINKEL RECHTS
Используется в агрегатах

2268 i
49 412066

SCHEIBE 6,5X12X0,75
Используется в агрегатах

1313 i
50 700483

SHR 6X 12 DIN933- 8.8 VZ
Используется в агрегатах

1153 i
51 704536

MU 6KT 6 DIN985- 8 A3B
Используется в агрегатах

1124 i
52 412067

BEF.WINKEL LINKS
Используется в агрегатах

2472 i
53 412063

SCHRAUBE
Используется в агрегатах

2093 i
54 700483

SHR 6X 12 DIN933- 8.8 VZ
Используется в агрегатах

1153 i
55 412066

SCHEIBE 6,5X12X0,75
Используется в агрегатах

1313 i
56 704537

MU 6KT 8 DIN985- 8 A3B
Используется в агрегатах

989 i
57 704539

SHB A 10,5 DIN125-ST A3C D
Используется в агрегатах

1131 i
58 412068

GETRIEBEGEH?USE
Используется в агрегатах

48948 i
59 700551

SHR 8X 35 DIN933- 8.8 A3C
Используется в агрегатах

1153 i
60 700866

SHR 6X 30 DIN933- 8.8 VZ
Используется в агрегатах

1052 i
61 703574

SHR 6X 20 DIN933- 8.8 A3C
Используется в агрегатах

1891 i
62 704536

MU 6KT 6 DIN985- 8 A3B
Используется в агрегатах

1124 i
63 412069

SCHRAUBE
Используется в агрегатах

1491 i
64 412070

SCHEIBE 6,5X18X1,5
Используется в агрегатах

1313 i
65 412071

HANDGRIFF
Используется в агрегатах

5798 i
66 412072

SCHRAUBE 6X10
Используется в агрегатах

1402 i
67 412073

SCHEIBE 6,5X12X0,5
Используется в агрегатах

1313 i
68 412074

GETRIEBEABDECKUNG
Используется в агрегатах

9256 i
69 412075

SCHEIBE 6
Используется в агрегатах

1313 i
70 412061

SCHRAUBE 6X10
Используется в агрегатах

1402 i
71 704537

MU 6KT 8 DIN985- 8 A3B
Используется в агрегатах

989 i
72 412076

WIPPE SPANNROLLE
Используется в агрегатах

4058 i
73 412077

SCHEIBE
Используется в агрегатах

3677 i
74 704546

SHR 8X 20 DIN933- 8.8 A3B
Используется в агрегатах

1173 i
75 412078

ZUGFEDER
Используется в агрегатах

1837 i
76 412079

SCHEIBE
Используется в агрегатах

1491 i
77 703177

SHR 8X 10 DIN933- 8.8 VZ ERS D703002
Используется в агрегатах

964 i
78 412080

SCHEIBE 8,5X15,5X1,5
Используется в агрегатах

1313 i
79 412081

SPANNROLLE
Используется в агрегатах

2090 i
80 412082

SCHEIBE
Используется в агрегатах

3185 i
81 701171

SHR 8X 30 DIN933- 8.8 VZ
Используется в агрегатах

1224 i
82 412083

ZAHNRIEMENSCHEIBE
Используется в агрегатах

5035 i
83 412084

SCHEIBE
Используется в агрегатах

1402 i
84 704545

SHR 8X 25 DIN933- 8.8 A3B
Используется в агрегатах

1202 i
85 412085

KEILRIEMENSCHEIBE
Используется в агрегатах

21573 i
86 412086

KEILRIEMEN (FR?SE)
Используется в агрегатах

11423 i
87 412087

RIPPENRIEMEN (ANTRIEB)
Используется в агрегатах

9042 i
88 701474

SHR 8X 16 603- 4.6VZ
Используется в агрегатах

1224 i
89 412088

SCHEIBE 8,5X28,2
Используется в агрегатах

1402 i
90 412089

KUGELLAGER MIT SEEGERRING
Используется в агрегатах

4813 i
91 412164

SEEGERRING 40
Используется в агрегатах

1694 i
92 412090

GETRIEBEWELLE
Используется в агрегатах

12019 i
93 412091

MITNEHMER GETRIEBEWELLE
Используется в агрегатах

8339 i
94 700483

SHR 6X 12 DIN933- 8.8 VZ
Используется в агрегатах

1153 i
95 412092

Фрикционное кольцо >>> 414819
Используется в агрегатах

6928 i
96 412093

SCHEIBE ANTRIEBSGUMMI
Используется в агрегатах

2686 i
97 700483

SHR 6X 12 DIN933- 8.8 VZ
Используется в агрегатах

1153 i
98 412094

LAGERSCHALE
Используется в агрегатах

1898 i
99 412095

SEEGERING
Используется в агрегатах

1783 i
100 412096

KUGELLAGER 6203 RS
Используется в агрегатах

7986 i
101 704540

SHB A 13 DIN125-ST A3B
Используется в агрегатах

1173 i
102 703813

MU 6KT 10 DIN985-10 A3C D
Используется в агрегатах

1430 i
103 412097

F?HRUNGSBLECH
Используется в агрегатах

3185 i
104 412061

SCHRAUBE 6X10
Используется в агрегатах

1402 i
105 412098

SCHALTB?GEL
Используется в агрегатах

7466 i
106 412099

ANTRIEBSSCHEIBE
Используется в агрегатах

14328 i
107 412100

LAGERBOLZEN
Используется в агрегатах

2379 i
108 412101

KUGELLAGER 3203 RS
Используется в агрегатах

5078 i
109 412102

F?HRUNGSBLECH ANTRIEBSZAHNRAD
Используется в агрегатах

11352 i
110 700372

SPL 3,2X 32 94 VZ
Используется в агрегатах

1131 i
111 703813

MU 6KT 10 DIN985-10 A3C D
Используется в агрегатах

1430 i
112 412103

SPANNFEDER
Используется в агрегатах

1783 i
113 412104

AUFSTECKH?LSE
Используется в агрегатах

2093 i
114 704540

SHB A 13 DIN125-ST A3C D
Используется в агрегатах

1173 i
115 337176

SCHRAUBE M6
Используется в агрегатах

1202 i
116 412106

BEF.-WINKEL
Используется в агрегатах

6018 i
117 412066

SCHEIBE 6,5X12X0,75
Используется в агрегатах

1313 i
118 412061

SCHRAUBE 6X10
Используется в агрегатах

1402 i
119 412107

UMLENKROLLE
Используется в агрегатах

1601 i
120 412108

SCHRAUBE
Используется в агрегатах

1983 i
121 412109

SPANNROLLE FR?SANTRIEB
Используется в агрегатах

1898 i
122 412110

DISTANZSCHEIBE
Используется в агрегатах

3185 i
123 700558

SHR 8X 45 DIN933- 8.8 VZ
Используется в агрегатах

1182 i
124 412111

BUCHSE
Используется в агрегатах

2696 i
125 704537

MU 6KT 8 DIN985- 8 A3B
Используется в агрегатах

989 i
126 703813

MU 6KT 10 DIN985-10 A3C D
Используется в агрегатах

1430 i
127 704539

SHB A 10,5 DIN125-ST A3B
Используется в агрегатах

1131 i
128 412112

RIEMENSPANNER
Используется в агрегатах

6371 i
129 412113

SPANNFEDER
Используется в агрегатах

1783 i
130 412114

SCHRAUBE
Используется в агрегатах

1783 i
131 412115

SPANNFEDER
Используется в агрегатах

1837 i
132 704539

SHB A 10,5 DIN125-ST A3C D
Используется в агрегатах

1131 i
133 704537

MU 6KT 8 DIN985- 8 A3B
Используется в агрегатах

989 i
134 704546

SHR 8X 20 DIN933- 8.8 A3B
Используется в агрегатах

1173 i
135 412087

RIPPENRIEMEN (ANTRIEB)
Используется в агрегатах

9042 i
136 412116

KEILRIEMENSCHEIBE
Используется в агрегатах

12215 i
137 704537

MU 6KT 8 DIN985- 8 A3B
Используется в агрегатах

989 i
138 412117

LAGERSCHALE
Используется в агрегатах

2696 i
139 412118

KEIL
Используется в агрегатах

1402 i
140 412119

KUGELLAGER
Используется в агрегатах

8514 i
141 412120

HANDKURBEL
Используется в агрегатах

3898 i
142 412121

F?HRUNG HANDKURBEL
Используется в агрегатах

1292 i
143 700372

SPL 3,2X 32 94 VZ
Используется в агрегатах

1131 i
144 704128

SHR 8X 20 603- 4.6VZ
Используется в агрегатах

941 i
145 412122

BEF.-WINKEL HANDKURBEL
Используется в агрегатах

4008 i
146 704537

MU 6KT 8 DIN985- 8 A3B
Используется в агрегатах

989 i
147 700150

SHB 8,4 9021-ST VZ
Используется в агрегатах

766 i
148 704537

MU 6KT 8 DIN985- 8 A3B
Используется в агрегатах

989 i
149 701474

SHR 8X 16 603- 4.6VZ
Используется в агрегатах

1224 i
150 704537

MU 6KT 8 DIN985- 8 A3B
Используется в агрегатах

989 i
151 412170

VERSTEIFUNGSWINKEL FR?SGEH.620
Используется в агрегатах

10814 i
152 701474

SHR 8X 16 603- 4.6VZ
Используется в агрегатах

1224 i
153 700150

SHB 8,4 9021-ST VZ
Используется в агрегатах

766 i
154 704537

MU 6KT 8 DIN985- 8 A3B
Используется в агрегатах

989 i
155 700150

SHB 8,4 9021-ST VZ
Используется в агрегатах

766 i
156 416501

GLEITSCHIENE
Используется в агрегатах

10593 i
157 412171

FR?SGEH?USE SL 620MM
Используется в агрегатах

137935 i
158 412172

FR?SWELLE SL 609 MM
Используется в агрегатах

12040 i
159 412054

HALBRUNDKEIL 5X7,5X19
Используется в агрегатах

1426 i
160 412127

Болт срезной + штифт >>> 595 92 09-01
Используется в агрегатах

4034 i
161 412127

Болт срезной + штифт >>> 595 92 09-01
Используется в агрегатах

4034 i
162 414042

FR?SSCHNECKE RECHTS IN FAHRTRICHTUNG
Используется в агрегатах

23023 i
163 412129

LAUFBUCHSE
Используется в агрегатах

1587 i
164 412058

SCHEIBE 19,5X38X1,5
Используется в агрегатах

1426 i
165 412130

BUCHSE
Используется в агрегатах

1391 i
166 412131

LAGERSCHALE
Используется в агрегатах

5110 i
167 704539

SHB A 10,5 DIN125-ST A3C D
Используется в агрегатах

1131 i
168 412132

SCHRAUBE
Используется в агрегатах

1601 i
169 414047

FR?SSCHNECKE LINKS IN FAHRTRICHTUNG
Используется в агрегатах

23023 i
170 703574

SHR 6X 20 DIN933- 8.8 A3C
Используется в агрегатах

1891 i
171 704746

RG FED- B 6 DIN127 A3B
Используется в агрегатах

3977 i
172 412072

SCHRAUBE 6X10
Используется в агрегатах

1402 i
173 412134

MESSINGZAHNRAD
Используется в агрегатах

18735 i
174 412135

GETRIEBEGEH?USE RECHTS
Используется в агрегатах

8514 i
175 412136

BUCHSE
Используется в агрегатах

1328 i
176 412137

LAUFBUCHSE
Используется в агрегатах

8957 i
177 412138

GETRIEBEGEH?USE LINKS
Используется в агрегатах

8514 i
178 412139

KUGELLAGER
Используется в агрегатах

2254 i
179 412140

GETRIEBEWELLE
Используется в агрегатах

35373 i
180 412141

KUGELLAGER
Используется в агрегатах

5110 i
181 412142

DRUCKLAGER
Используется в агрегатах

5110 i
182 412143

SIMMERRING 30X19X7
Используется в агрегатах

2832 i
183 703784

SPANNSTIFT ISO8748-ST 6X28
Используется в агрегатах

1343 i
184 412144

SCHEIBE
Используется в агрегатах

1206 i
185 412145

AUSWURFRAD
Используется в агрегатах

17238 i
186 701474

SHR 8X 16 603- 4.6VZ
Используется в агрегатах

1224 i
187 700150

SHB 8,4 9021-ST VZ
Используется в агрегатах

766 i
188 704537

MU 6KT 8 DIN985- 8 A3B
Используется в агрегатах

989 i
189 704536

MU 6KT 6 DIN985- 8 A3B
Используется в агрегатах

1124 i
190 700555

SHR 6X 16 DIN933- 8.8 VZ
Используется в агрегатах

1153 i
191 704536

MU 6KT 6 DIN985- 8 A3B
Используется в агрегатах

1124 i
192 412146

FLANSCHSEGMENT UNTEN
Используется в агрегатах

2080 i
193 412147

FLANSCHSEGMENT OBEN
Используется в агрегатах

2033 i
194 700555

SHR 6X 16 DIN933- 8.8 VZ
Используется в агрегатах

1153 i
195 704537

MU 6KT 8 DIN985- 8 A3B
Используется в агрегатах

989 i
196 544675

FL?GELMUTTER M8 R9005
Используется в агрегатах

1377 i
197 704441

SHR 8X 25 603- 4.6A3R
Используется в агрегатах

1380 i
198 412148

AUSWURFSCHACHT
Используется в агрегатах

24307 i
199 703574

SHR 6X 20 DIN933- 8.8 A3C
Используется в агрегатах

1891 i
200 412149

SPANNFEDER
Используется в агрегатах

1363 i
201 704536

MU 6KT 6 DIN985- 8 A3B
Используется в агрегатах

1124 i
202 412150

EINGREIFSCHUTZ
Используется в агрегатах

2849 i
203 412151

SCHNEESCHAUFEL
Используется в агрегатах

6239 i
204 701474

SHR 8X 16 603- 4.6VZ
Используется в агрегатах

1224 i
205 412152

HALTER SCHNEESCHAUFEL
Используется в агрегатах

2450 i
206 412165

HANDKURBELHALTER
Используется в агрегатах

1423 i
207 700702

SHR 6X 25 DIN933- 8.8 VZ
Используется в агрегатах

1153 i
208 412154

KUGELGRIFF SCHALTSTANGE
Используется в агрегатах

4703 i
209 414273

RAD KPL. RECHTS 4.10-6
Используется в агрегатах

33226 i
210 412166

SCHEIBE
Используется в агрегатах

1684 i
211 412156

DICHTUNGSSCHEIBE
Используется в агрегатах

1983 i
212 412157

FETTNIPPEL
Используется в агрегатах

2450 i
213 700119

MU 6KT 5 DIN985- 8 VZ
Используется в агрегатах

1153 i
214 412173

DISTANZBUCHSE
Используется в агрегатах

2093 i
215 412174

DISTANZBUCHSE
Используется в агрегатах

2093 i
216 412158

LAMPE
Используется в агрегатах

15965 i
217 412175

MUTTER M8
Используется в агрегатах

1313 i
218 704538

SHB A 8,4 DIN125-ST A3B
Используется в агрегатах

1138 i
219 412160

LAMPENHALTER
Используется в агрегатах

3565 i
220 412176

MUTTER M8
Используется в агрегатах

1313 i
221 412162

SCHRAUBE M6X20
Используется в агрегатах

1402 i
222 337176

MU VERBUS-TENSI W196 M 6 A3C
Используется в агрегатах

1202 i
223 412161

BATTERIEGEH?USE
Используется в агрегатах

8853 i
224 412163

BATTERIE
Используется в агрегатах

49294 i
225 412153

GETRIEBEDICHTUNG
Используется в агрегатах

1363 i