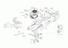
1 РАМА КОЖУХА AL-KO трактор T 13-93.8 HD-A Black Edition Артикул: 119865 с 04/2018 года
2 РАМА СЦЕПЛЕНИЕ AL-KO трактор T 13-93.8 HD-A Black Edition Артикул: 119865 с 04/2018 года
3 КОЛЕСА РЕМЕНЬ ШКИВ AL-KO трактор T 13-93.8 HD-A Black Edition Артикул: 119865 с 04/2018 года
4 КОРОБКА ПЕРЕДАЧ AL-KO трактор T 13-93.8 HD-A Black Edition Артикул: 119865 с 04/2018 года
5 ПОДКЛЮЧЕНИЕ ПРИВОДА AL-KO трактор T 13-93.8 HD-A Black Edition Артикул: 119865 с 04/2018 года
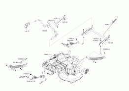
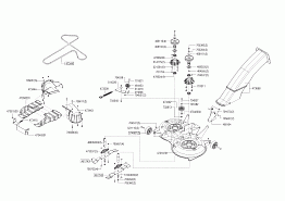
6 ДЕКА РЕМЕНЬ НОЖ АДАПТЕР ШКИВ AL-KO трактор T 13-93.8 HD-A Black Edition Артикул: 119865 с 04/2018 года
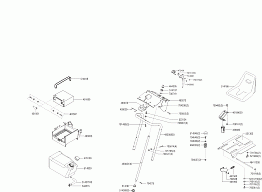
7 АККУМУЛЯТОР AL-KO трактор T 13-93.8 HD-A Black Edition Артикул: 119865 с 04/2018 года
8 ТРАВОСБОРНИК AL-KO трактор T 13-93.8 HD-A Black Edition Артикул: 119865 с 04/2018 года
9 ПРОВОДКА AL-KO трактор T 13-93.8 HD-A Black Edition Артикул: 119865 с 04/2018 года
10 ПРОВОДКА ПОДКЛЮЧЕНИЯ AL-KO трактор T 13-93.8 HD-A Black Edition Артикул: 119865 с 04/2018 года
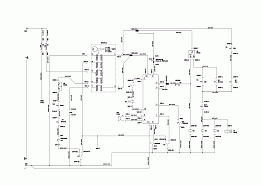
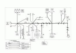
11 ЭЛЕКТРОСХЕМА AL-KO трактор T 13-93.8 HD-A Black Edition Артикул: 119865 с 04/2018 года