Разработано в Германии Напрямую от Импортера Доставка по России

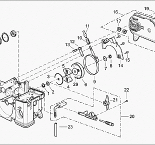
8 ЦЕПЬ, КРЫШКА, НАТЯЖИТЕЛЬ solo by AL-KO бензопила 636 Артикул: 126566 с 02/2011 года

Ссылка № АртикулИспользуется штук Наименование Цена
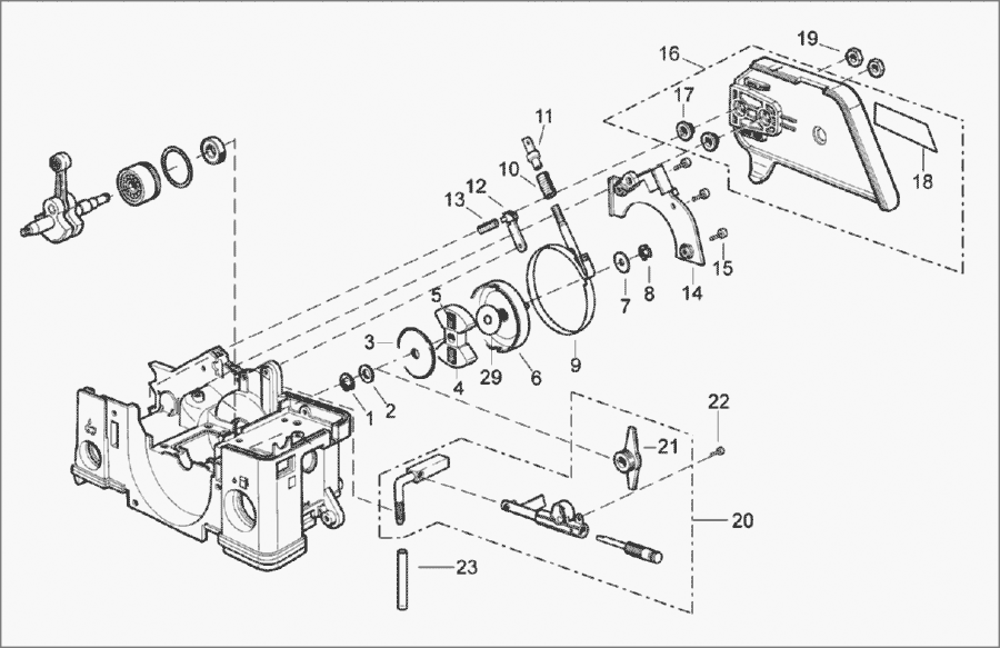
1 SL6300360

KETTENSPANNUNG SEITLICH VS.636,643ET
Используется в агрегатах

4771 i
2 SL6031306

EINSTELLSCHRAUBE
Используется в агрегатах

4939 i
3 SL0062174

O.RING 7X2NBR/PERB 70SH. 636-656
Используется в агрегатах

1238 i
4 SL6074124

GETRIEBEABDECKUNG 636-656 R9005
Используется в агрегатах

1666 i
5 SL6031307

KETTENSPANNSCHRAUBE 636,643
Используется в агрегатах

5502 i
6 SL6300349

SPANNSCHLITTEN VS. M5L. 636,643
Используется в агрегатах

2974 i
7 SL0018354

Винт
Используется в агрегатах

1182 i
8 SL6074125

LAGERUNG D3,75 R9005
Используется в агрегатах

1423 i
9 SL0031572

SCHEIBE4X8X0,5 988PS BLANK
Используется в агрегатах

1131 i
14 SL6043351

ANSCHLAGKRALLE, VERG?TET 630-650
Используется в агрегатах

2686 i
15 SL0018362

LI.SHR.5X10KTKX T25 10.9
Используется в агрегатах

1182 i
16 SL0018380

STIFTSHR.M8X18 10.9ZN BLAU
Используется в агрегатах

1827 i
17 SL6100454

кожух пильного аппарата rt. + самоприклеивающа¤с¤ табличка solo
Используется в агрегатах

3003 i
18 SL6031993

BU.8,5X18,6/14,5X5,8DIST.
Используется в агрегатах

2518 i
19 SL0068312

SKS.SOLO
Используется в агрегатах

2093 i
20 SL0020214

6KT.MU.M8-10.9 ZN SW19
Используется в агрегатах

1391 i
21 126202

ѕ»Ћ№Ќџ… јѕѕј–ј“ 12"1,3 3/8S"" DOUBLE GUARD 30C
Используется в агрегатах

1463 i
22 127190

SCHWERT14"1,3.3/8""A095.35CM
Используется в агрегатах

1614 i
23 SL6071258

KETTENSCHUTZ 44CMX14 NEUTRAL
Используется в агрегатах

3787 i
27 126735

÷≈ѕ№ 3/8S"1,3 45E GL.12""30CM
Используется в агрегатах

1150 i
28 SL6900136

SL6900136
Используется в агрегатах

Недоступен к заказу

30 SL0540199

VERB.GL.3/8S ZOLL O.NIET
Используется в агрегатах

1737 i
31 SL0540200

VERB.GL.3/8S"M.NIET
Используется в агрегатах

2361 i
32 SL0540201

TREIBGL.3/8S"1,3
Используется в агрегатах

2047 i
33 SL0540200

заклепка
Используется в агрегатах

2361 i
34 SL0540197

L.SCHNEIDER3/8S ZOLL
Используется в агрегатах

3295 i
35 SL0540198

R.SCHNEIDER3/8S"
Используется в агрегатах

3295 i