Разработано в Германии Напрямую от Импортера Доставка по России

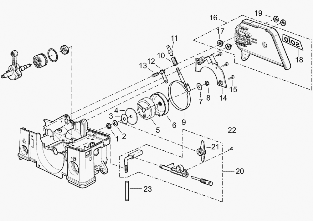
8 ЦЕПЬ, КРЫШКА, НАТЯЖИТЕЛЬ solo by AL-KO бензопила 643 Артикул: 126568 с 02/2011 года

Ссылка № АртикулИспользуется штук Наименование Цена
1 SL6300360

KETTENSPANNUNG SEITLICH VS.636,643ET
Используется в агрегатах

4771 i
2 SL6031306

EINSTELLSCHRAUBE
Используется в агрегатах

4939 i
3 SL0062174

O.RING 7X2NBR/PERB 70SH. 636-656
Используется в агрегатах

1238 i
4 SL6074124

GETRIEBEABDECKUNG 636-656 R9005
Используется в агрегатах

1666 i
5 SL6031307

KETTENSPANNSCHRAUBE 636,643
Используется в агрегатах

5502 i
6 SL6300349

SPANNSCHLITTEN VS. M5L. 636,643
Используется в агрегатах

2974 i
7 SL0018354

Винт
Используется в агрегатах

1182 i
8 SL6074125

LAGERUNG D3,75 R9005
Используется в агрегатах

1423 i
9 SL0031572

SCHEIBE4X8X0,5 988PS BLANK
Используется в агрегатах

1131 i
14 SL6043351

ANSCHLAGKRALLE, VERG?TET 630-650
Используется в агрегатах

2686 i
15 SL0018362

LI.SHR.5X10KTKX T25 10.9
Используется в агрегатах

1182 i
16 SL0018380

STIFTSHR.M8X18 10.9ZN BLAU
Используется в агрегатах

1827 i
17 SL6100454

кожух пильного аппарата rt. + самоприклеивающа¤с¤ табличка solo
Используется в агрегатах

3003 i
18 SL6031993

BU.8,5X18,6/14,5X5,8DIST.
Используется в агрегатах

2518 i
19 SL0068312

SKS.SOLO
Используется в агрегатах

2093 i
20 SL0020214

6KT.MU.M8-10.9 ZN SW19
Используется в агрегатах

1391 i
21 126204

пильный аппарат 13"1,5.325""a095. 33 см
Используется в агрегатах

2821 i
22 SL690034323

пильный аппарат 15"1,5.325""a095.38cm
Используется в агрегатах

18329 i
23 SL6071258

KETTENSCHUTZ 44CMX14 NEUTRAL
Используется в агрегатах

3787 i
27 126650

÷епь
Используется в агрегатах

2454 i
28 126655

÷епь
Используется в агрегатах

3570 i
30 SL0540205

VERB.GL.325 O.NIET
Используется в агрегатах

1958 i
31 SL0540249

соединительный элемент 325"m.niet
Используется в агрегатах

1895 i
32 SL0540250

TREIBGL.325 ZOLL 1,5
Используется в агрегатах

2136 i
34 SL0540203

L.SCHNEIDER325"BP.
Используется в агрегатах

4411 i
35 SL0540204

–ежущий инструмент правый
Используется в агрегатах

1958 i