1 КРЫШКА solo by AL-KO бензопила 646 Артикул: 127182
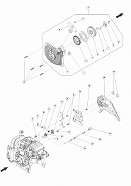
2 СТАРТЕР, БАРАБАН, ПРУЖИНА, СЦЕПЛЕНИЕ solo by AL-KO бензопила 646 Артикул: 127182
3 РУЧКА, ПРОБКИ solo by AL-KO бензопила 646 Артикул: 127182
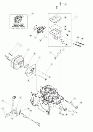
4 КАРБЮРАТОР, ФИЛЬТР, ГЛУШИТЕЛЬ, МАГНЕТО solo by AL-KO бензопила 646 Артикул: 127182
5 НАТЯЖИТЕЛЬ, ЗВЕЗДОЧКА solo by AL-KO бензопила 646 Артикул: 127182
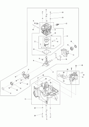
6 КАРТЕР, ПОРШЕНЬ, ЦИЛИНДР, МАСЛОНАСОС solo by AL-KO бензопила 646 Артикул: 127182