Разработано в Германии Напрямую от Импортера Доставка по России

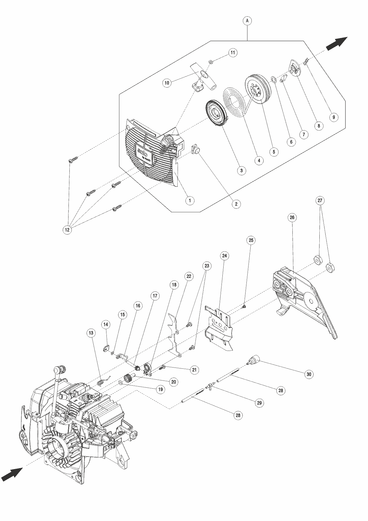
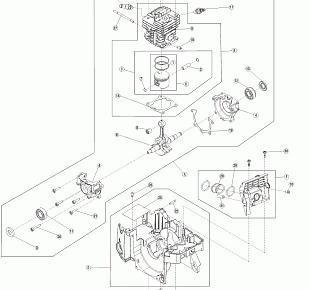
5 НАТЯЖИТЕЛЬ, ЗВЕЗДОЧКА solo by AL-KO бензопила 646 Артикул: 127182

Ссылка № АртикулИспользуется штук Наименование Цена
A SL2700326

TANKVERS 28,5 OEL 643,644,645.651 KPL
Используется в агрегатах

1808 i
B SL6400228

Насос масляный
Используется в агрегатах

25622 i
1 SL0062147

O.RING 25,3X2,4 FKM 70 SH GR?N
Используется в агрегатах

1292 i
2 SL0020145

Гайка М8
Используется в агрегатах

1173 i
3 SL0072145

Шайба
Используется в агрегатах

1153 i
4 SL2400318

LUEFTERRAD 12 1:2,8 KEG. 646,652
Используется в агрегатах

7366 i
5 SL0070312

FEDER 0,8X7,8X8,5 DRK.
Используется в агрегатах

1716 i
6 SL6074997

STIFT3X21,5HUB. R9005
Используется в агрегатах

1402 i
7 SL620013125

BREMSBAND VS. 639-656 KPL
Используется в агрегатах

7691 i
8 SL6074999

ABDECKUNG BREMSBAND.SWZ.
Используется в агрегатах

1581 i
9 SL0018354

Винт
Используется в агрегатах

1182 i
10 SL0046145

BOLZEN2,2/4,5X31
Используется в агрегатах

1915 i
11 SL0055136

SI.RING15 471A BLANK
Используется в агрегатах

1131 i
12 SL0031270

SCHEIBE15X22X0,5 988PS BLANK
Используется в агрегатах

1131 i
13 SL6400246

Шнек захватного механизма
Используется в агрегатах

5174 i
14 SL0031631

SCHEIBE12,2X40X1 KUPPL. 646-656
Используется в агрегатах

2361 i
15 SL3500481

KUPPLUNG M12X1,25L. FLIEHKR 646-656 KPL
Используется в агрегатах

10043 i
16 SL0052257

NADELKAEFIG 10X13X13K TN
Используется в агрегатах

4411 i
17 SL350036225

KU.GLOCKE325"7Z13D/70,2D
Используется в агрегатах

10882 i
18 SL6043990

SCHUTZKAPPE 639,645,650
Используется в агрегатах

1601 i
19 SL0031526

SCHEIBE10X24X1 AN.
Используется в агрегатах

1523 i
20 SL0055104

SI.SCHEIBE8 6799 BLANK
Используется в агрегатах

1153 i
21 SL6063329

SCHLAUCH3,5X88
Используется в агрегатах

1601 i
22 SL6700124

SIEB OEL. VS.
Используется в агрегатах

2379 i
23 SL6063323

Уплотнитель элемента
Используется в агрегатах

1915 i
24 SL0018355

LI.SHR.4X16KTKX T25 ZN BLAU
Используется в агрегатах

1131 i
25 SL0062276

O.RING 4,7X1NBR/PERB 70SH.
Используется в агрегатах

1153 i
26 SL0070265

FEDER 0,5X5,7X27 DRK.
Используется в агрегатах

1182 i
27 SL0031529

SCHEIBE8X5,1X0,5 AN.
Используется в агрегатах

1334 i
28 SL6031996

KOLBEN 9,00 PUMPEN. 639,645,650
Используется в агрегатах

8692 i
29 SL0070253

FEDER 1,5X7X22,5 DRK.
Используется в агрегатах

1533 i
30 SL6300178

DRUCKSTUECK
Используется в агрегатах

5198 i
31 SL6016135

VERSTELLUNG
Используется в агрегатах

3755 i
32 SL0070254

FEDER 1,6X10,2X56 DRK.
Используется в агрегатах

1640 i