1 ПОРШЕНЬ, ЦИЛИНДР, МАГНЕТО solo by AL-KO бензопила 675 Артикул: 126579 с 06/2008 года
2 КАРБЮРАТОР, ФИЛЬТР, ГЛУШИТЕЛЬ solo by AL-KO бензопила 675 Артикул: 126579 с 06/2008 года
3 НАТЯЖИТЕЛЬ, ЗВЕЗДОЧКА solo by AL-KO бензопила 675 Артикул: 126579 с 06/2008 года
4 СТАРТЕР, БАРАБАН, ПРУЖИНА solo by AL-KO бензопила 675 Артикул: 126579 с 06/2008 года
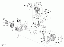
5 КАРТЕР, ПРОБКИ, КРЫШКА, АМОРТИЗАТОР solo by AL-KO бензопила 675 Артикул: 126579 с 06/2008 года
6 ЦЕПЬ, КРЫШКА, НАТЯЖИТЕЛЬ solo by AL-KO бензопила 675 Артикул: 126579 с 06/2008 года