Разработано в Германии Напрямую от Импортера Доставка по России

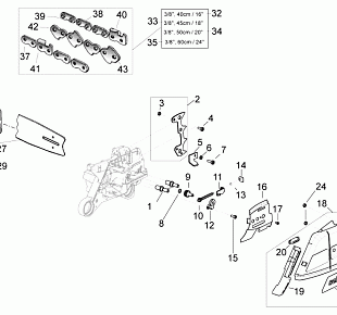
3 НАТЯЖИТЕЛЬ, ЗВЕЗДОЧКА solo by AL-KO бензопила 675 Артикул: 126579 с 06/2008 года

Ссылка № АртикулИспользуется штук Наименование Цена
1 SL6400242

Насос масляный + Рукав масляный
Используется в агрегатах

34318 i
2 SL6400245

Шнек захватного механизма
Используется в агрегатах

4599 i
3 SL6063356

OELDRUCKLEITUNG
Используется в агрегатах

2246 i
4 SL0073331

SCHLAUCHOESE9,2X0,7X3W
Используется в агрегатах

1694 i
5 SL0066390

STUTZEN4X17,5 SHL.WS4W.POM. KS.
Используется в агрегатах

2026 i
6 SL6400242

OELLEITUNG
Используется в агрегатах

34318 i
7 SL6400231

SAUGLEITUNG OEL
Используется в агрегатах

4058 i
8 SL0018335

Винт М5*12
Используется в агрегатах

1182 i
9 SL6042851

ANLAUFSCHEIBE 15X20X0,3
Используется в агрегатах

1270 i
10 SL6300353

AUSRUECKMECHANISM.KPL.DOL.957.213.030
Используется в агрегатах

8874 i
13 SL6042489

FEDERTOPF
Используется в агрегатах

1423 i
14 SL0070309

DRUCKFEDER 9,3X11,8X86
Используется в агрегатах

1601 i
15 SL0031630

SCHEIBE9X12
Используется в агрегатах

1402 i
16 SL6048201

SCHAUMSTOFFPLATTE
Используется в агрегатах

1470 i
17 SL6200135

BREMSBAND 665/675/681
Используется в агрегатах

3074 i
18 SL6074611

BREMSBANDABDECKUNG
Используется в агрегатах

1555 i
19 SL0018280

ZYL.SHR.M4X12KXRI.T25 10.9ZN BLAU
Используется в агрегатах

1182 i
20 SL6042850

FUEHRUNGSSCHEIBE 12,1X44,6X1
Используется в агрегатах

1666 i
21 SL3500470

KUPPLUNG M12X1L. FLIEHKRAFT VS.
Используется в агрегатах

6319 i
22 SL3500261

KU.GLOCKE POWER/MAT 665,675,681
Используется в агрегатах

16447 i
23 SL0031526

SCHEIBE10X24X1 AN.
Используется в агрегатах

1523 i
24 SL0052255

Игольчатый подшипник
Используется в агрегатах

4361 i
25 SL3038399

RG.KETTENRAD POW/MAT3/8 7Z7N
Используется в агрегатах

3933 i
26 SL6043900

TOPFSCHEIBE
Используется в агрегатах

1555 i
27 SL0055104

SI.SCHEIBE8 6799 BLANK
Используется в агрегатах

1153 i