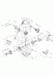
1 РЕДУКТОР, РУЛЬ, ШТАНГА solo by AL-KO мотокоса бензиновая 132 Артикул: 127433
2 ПОРШЕНЬ, ЦИЛИНДР, МАГНЕТО, КАРБЮРАТОР solo by AL-KO мотокоса бензиновая 132 Артикул: 127433