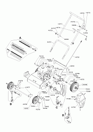
1 НОЖ, РЕМЕНЬ, КОЛЕСА, ТРОС solo by AL-KO рыхлитель бензиновый 4005 VB Артикул: 127320
2 НОЖ, ДВИГАТЕЛЬ, РЕМЕНЬ solo by AL-KO рыхлитель бензиновый 4005 VB Артикул: 127320