 |
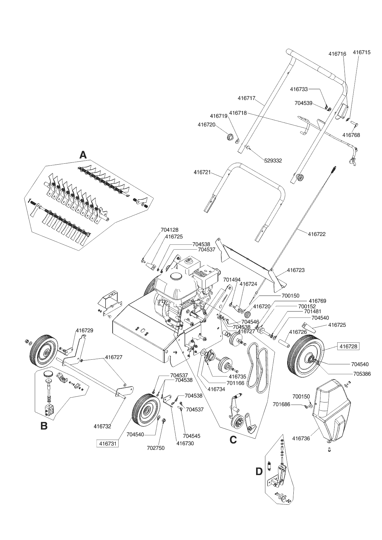
416715 |
416715 |
|
Пружинка
Используется в агрегатах
|
7691 i |
|
 |
416716 |
416716 |
|
Рычаг блокировки
Используется в агрегатах
|
56417 i |
|
 |
416717 |
416717 |
|
Ручка (верхняя часть)
Используется в агрегатах
|
110612 i |
|
 |
416718 |
416718 |
|
Рычаг
Используется в агрегатах
|
136818 i |
|
 |
416719 |
416719 |
|
Шайба
Используется в агрегатах
|
7466 i |
|
 |
416720 |
416720 |
|
Гайка-барашек
Используется в агрегатах
|
4793 i |
|
 |
416721 |
416721 |
|
Ручка (нижняя часть)
Используется в агрегатах
|
58987 i |
|
 |
416722 |
416722 |
|
Тросик
Используется в агрегатах
|
32221 i |
|
 |
416723 |
416723 |
|
Крышка задняя
Используется в агрегатах
|
76605 i |
|
 |
416724 |
416724 |
|
Зажимная пластина
Используется в агрегатах
|
14493 i |
|
 |
416725 |
416725 |
|
Задний скребок
Используется в агрегатах
|
19954 i |
|
 |
416726 |
416726 |
|
Ось заднего колеса
Используется в агрегатах
|
21185 i |
|
 |
416727 |
416727 |
|
Гайка
Используется в агрегатах
|
7135 i |
|
 |
416728 |
416728 |
|
Колесо заднее
Используется в агрегатах
|
67458 i |
|
 |
416729 |
416729 |
|
Скребок передний правый
Используется в агрегатах
|
19954 i |
|
 |
416730 |
416730 |
|
Скребок передний левый
Используется в агрегатах
|
19954 i |
|
 |
416731 |
416731 |
|
Колесо переднее
Используется в агрегатах
|
51515 i |
|
 |
416732 |
416732 |
|
Ось передних колес
Используется в агрегатах
|
154212 i |
|
 |
416733 |
416733 |
|
Стопор
Используется в агрегатах
|
9138 i |
|
 |
416734 |
416734 |
|
Дистанционная шайба
Используется в агрегатах
|
7356 i |
|
 |
416735 |
416735 |
|
Подшипник
Используется в агрегатах
|
32447 i |
|
 |
416736 |
416736 |
|
Кожух ремня
Используется в агрегатах
|
117190 i |
|
 |
416768 |
416768 |
|
Штифт
Используется в агрегатах
|
6239 i |
|
 |
416769 |
416769 |
|
Болт
Используется в агрегатах
|
2671 i |
|
 |
700150 |
700150 |
|
Шайба
Используется в агрегатах
|
766 i |
|
 |
700152 |
700152 |
|
Шайба
Используется в агрегатах
|
1715 i |
|
 |
701166 |
701166 |
|
Шайба
Используется в агрегатах
|
1131 i |
|
 |
701481 |
701481 |
|
Гайка
Используется в агрегатах
|
1182 i |
|
 |
701494 |
701494 |
|
Винт
Используется в агрегатах
|
1245 i |
|
 |
701686 |
701686 |
|
Винт 5*16
Используется в агрегатах
|
1160 i |
|
 |
702750 |
702750 |
|
Гайка
Используется в агрегатах
|
1245 i |
|
 |
704128 |
704128 |
|
Винт 8X20
Используется в агрегатах
|
941 i |
|
 |
704537 |
704537 |
|
Гайка
Используется в агрегатах
|
1138 i |
|
 |
704538 |
704538 |
|
Шайба
Используется в агрегатах
|
1138 i |
|
 |
704539 |
704539 |
|
Шайба
Используется в агрегатах
|
1131 i |
|
 |
704540 |
704540 |
|
Шайба
Используется в агрегатах
|
1173 i |
|
 |
704545 |
704545 |
|
Болт
Используется в агрегатах
|
1202 i |
|
 |
704546 |
704546 |
|
Болт
Используется в агрегатах
|
1173 i |
|
 |
705386 |
705386 |
|
Гайка
Используется в агрегатах
|
Недоступен к заказу |
|