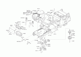
1 РАМА КОЖУХА solo by AL-KO трактор T 16-93.7 HD V2 Артикул: 127443 с 04/2018 по 02/2019 года
2 РАМА СЦЕПЛЕНИЕ solo by AL-KO трактор T 16-93.7 HD V2 Артикул: 127443 с 04/2018 по 02/2019 года
3 КОЛЕСА РЕМЕНЬ ШКИВ solo by AL-KO трактор T 16-93.7 HD V2 Артикул: 127443 с 04/2018 по 02/2019 года
4 КОРОБКА ПЕРЕДАЧ solo by AL-KO трактор T 16-93.7 HD V2 Артикул: 127443 с 04/2018 по 02/2019 года
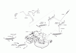
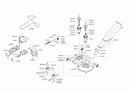
5 ПОДКЛЮЧЕНИЕ ПРИВОДА solo by AL-KO трактор T 16-93.7 HD V2 Артикул: 127443 с 04/2018 по 02/2019 года
6 ДЕКА РЕМЕНЬ НОЖ АДАПТЕР ШКИВ solo by AL-KO трактор T 16-93.7 HD V2 Артикул: 127443 с 04/2018 по 02/2019 года
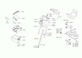
7 АККУМУЛЯТОР solo by AL-KO трактор T 16-93.7 HD V2 Артикул: 127443 с 04/2018 по 02/2019 года
8 ТРАВОСБОРНИК solo by AL-KO трактор T 16-93.7 HD V2 Артикул: 127443 с 04/2018 по 02/2019 года
9 ПРОВОДКА solo by AL-KO трактор T 16-93.7 HD V2 Артикул: 127443 с 04/2018 по 02/2019 года
10 ПРОВОДКА ПОДКЛЮЧЕНИЯ solo by AL-KO трактор T 16-93.7 HD V2 Артикул: 127443 с 04/2018 по 02/2019 года
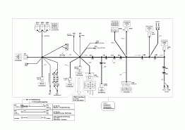
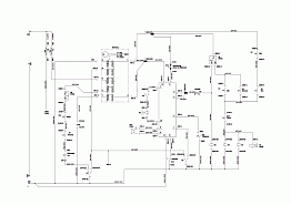
11 ЭЛЕКТРОСХЕМА solo by AL-KO трактор T 16-93.7 HD V2 Артикул: 127443 с 04/2018 по 02/2019 года