1 РАМА КОЖУХА Solo by AL-KO газонный трактор T 15-93.9 HDS-A Артикул: 127574
2 РАМА СЦЕПЛЕНИЕ Solo by AL-KO газонный трактор T 15-93.9 HDS-A Артикул: 127574
3 КОЛЕСА РЕМЕНЬ ШКИВ Solo by AL-KO газонный трактор T 15-93.9 HDS-A Артикул: 127574
4 КОРОБКА ПЕРЕДАЧ Solo by AL-KO газонный трактор T 15-93.9 HDS-A Артикул: 127574
5 ПОДКЛЮЧЕНИЕ ПРИВОДА Solo by AL-KO газонный трактор T 15-93.9 HDS-A Артикул: 127574
6 ДЕКА РЕМЕНЬ НОЖ АДАПТЕР ШКИВ Solo by AL-KO газонный трактор T 15-93.9 HDS-A Артикул: 127574
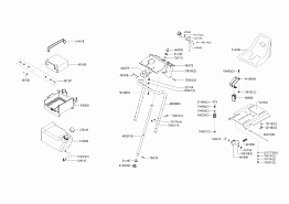
7 АККУМУЛЯТОР Solo by AL-KO газонный трактор T 15-93.9 HDS-A Артикул: 127574
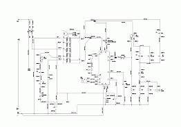
8 ПРОВОДКА Solo by AL-KO газонный трактор T 15-93.9 HDS-A Артикул: 127574
9 ПРОВОДКА ПОДКЛЮЧЕНИЯ Solo by AL-KO газонный трактор T 15-93.9 HDS-A Артикул: 127574
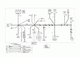
10 ЭЛЕКТРОСХЕМА Solo by AL-KO газонный трактор T 15-93.9 HDS-A Артикул: 127574