Разработано в Германии Напрямую от Импортера Доставка по России

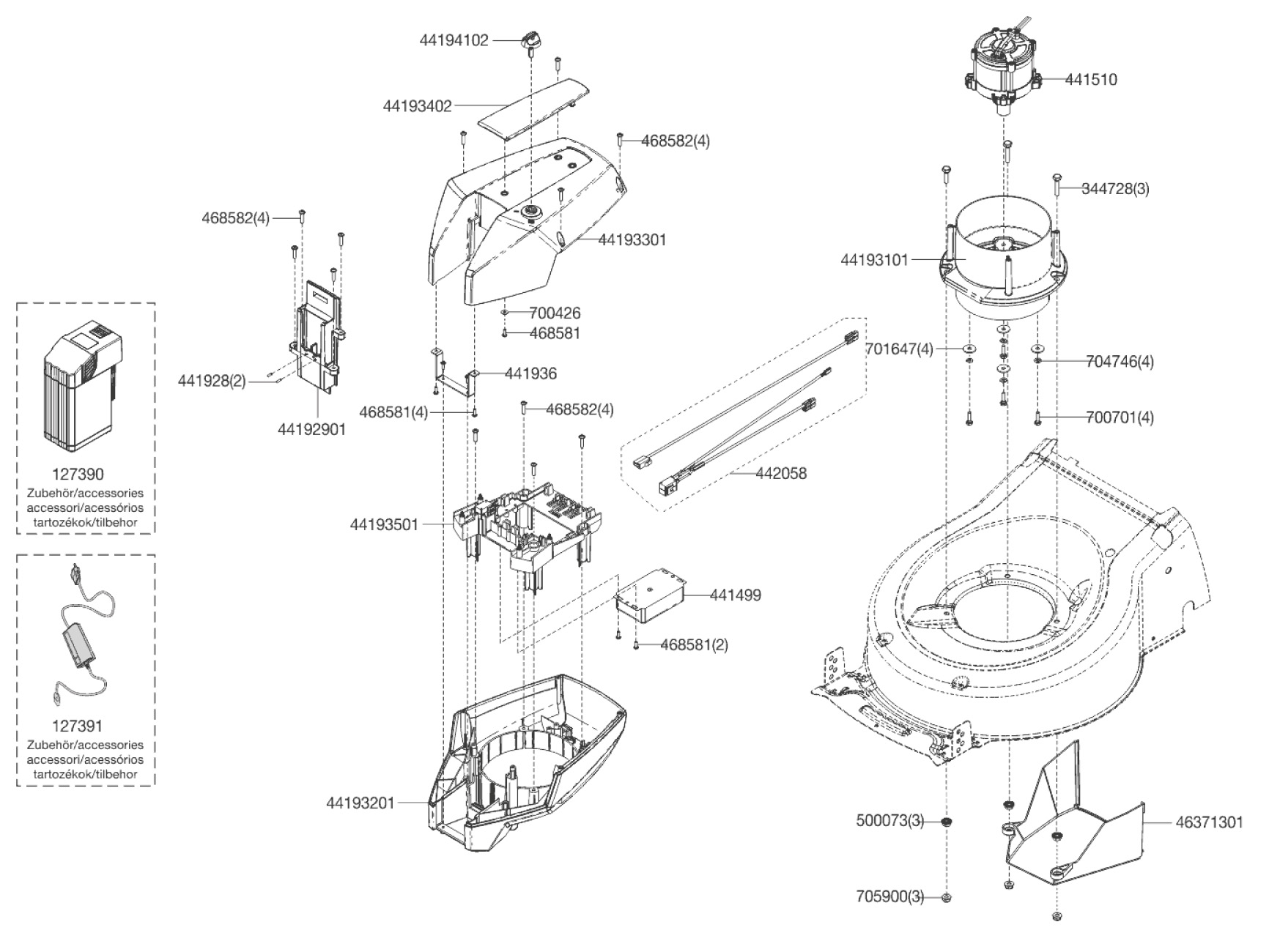
1 | Solo by AL-KO газонокосилка аккумуляторная sbA 4237 Li SP Артикул: 127388 | с 08/2019 года | АЛКО ЗАПЧАСТИ | ПО РОССИИ | СПБ

Ссылка № АртикулИспользуется штук Наименование Цена
01 01

01
Используется в агрегатах

Недоступен к заказу

31691330 31691330

Шайба
Используется в агрегатах

1594 i
336003 336003

Винт
Используется в агрегатах

1153 i
336003 336003

Винт
Используется в агрегатах

1153 i
440175 463962

Фланец ножа
Используется в агрегатах

5539 i
В наличии 2 шт.
Обновлено 17.04.2026 (08:08)
44127902 44127902

FRONT 46 ZRV MIT B?GEL O A-PLATE R3000
Используется в агрегатах

4500 i
441504 441504

L?FTER MOWEO
Используется в агрегатах

2093 i
441506 441506

MESSER 42 E-MOWEO
Используется в агрегатах

7852 i
44152101 44152101

SCHALTB?GEL RT F?R MOWEO R9005
Используется в агрегатах

4322 i
4415221002 4415221002

SCHALTB?GEL TOTMANN F?R MOWEO R3000
Используется в агрегатах

2259 i
44155110 44155110

HALTER SCHALTB?GEL KINGCLEAN KPL NACHA
Используется в агрегатах

3031 i
442062 442062

SSK KEDU AKKU KINGCLEAN FH
Используется в агрегатах

7127 i
450756 450756

Тросик привода колес
Используется в агрегатах

5418 i
В наличии 9 шт.
Обновлено 17.04.2026 (08:09)
451225 451225

GETRIEBE 46 RT ALU
Используется в агрегатах

26970 i
451729 451729

BOWDENZUGHALTEBLECH 46
Используется в агрегатах

1402 i
45317801 45317801

VERBINDUNGSSTANGE 42 BENZIN R9005
Используется в агрегатах

6461 i
455530 455530

GRIFF H?HENVERST KPL R9005/R3000
Используется в агрегатах

2429 i
456010 456010

BOXUNTERTEIL+GEWEBE 46 KPL R9005 SOLO
Используется в агрегатах

13802 i
456873 456873

OBERHOLM 42/46 RT AKKU +SS KPL R9005
Используется в агрегатах

11128 i
457347 457347

Болт крепления ножа
Используется в агрегатах

1533 i
46026701 46026701

Основание корпуса
Используется в агрегатах

7772 i
46027301 46027301

Крепеж (нижний) передней оси колес газонокосилки
Используется в агрегатах

1402 i
460312 460312

Пружина крышки травосборника
Используется в агрегатах

2254 i
460318 460318

Кронштейн
Используется в агрегатах

1245 i
460361 460361

Пружина
Используется в агрегатах

1270 i
46036401 46036401

Крепеж (верхний) передней оси колес газонокосилки
Используется в агрегатах

1380 i
46051201 46051201

Заглушка оси крышки травосборника
Используется в агрегатах

1245 i
460513 460513

Пластина
Используется в агрегатах

1245 i
460953 460953

ZUGFEDER F?R GETRIEBE CLASSIC F?R ALU
Используется в агрегатах

1847 i
46269230 462692

Втулка колеса
Используется в агрегатах

1363 i
46269330 46269330

Ось
Используется в агрегатах

6988 i
46271330 46271330

Рычаг ручки регулировки высоты среза
Используется в агрегатах

3306 i
463015 463015

Штифт цилиндрический с головкой
Используется в агрегатах

1238 i
46346401 46346401

F?LLSTANDSANZEIGE COMFORT R9005 D4
Используется в агрегатах

1234 i
46346502 46346502

BOXABDECKUNG COMFORT 46 D4 R3000
Используется в агрегатах

1334 i
46346602 46346602

BOX-OBERTEIL 46 COMFORT D4 R3000
Используется в агрегатах

8828 i
46346702 46346702

KLAPPE 46 COMFORT R3000 D4
Используется в агрегатах

3833 i
46346901 46346901

ABDECKUNG HECKTEIL 46 COMFORT R9005
Используется в агрегатах

1805 i
463500 463500

Колесо заднее
Используется в агрегатах

5816 i
46350101 46350101

RADBLENDE D220 R9005
Используется в агрегатах

1491 i
46350201 46350201

Колпак колеса
Используется в агрегатах

1470 i
46351001 46351040

Заглушка колеса
Используется в агрегатах

1217 i
46351530 46351530

Задний мост
Используется в агрегатах

9943 i
46351901 46351901

Колпак колеса
Используется в агрегатах

1423 i
46352202 46352202

GEH?USE 42 CM RT DUOTEC R3000
Используется в агрегатах

21562 i
463523 463523

Колесо газонокосилки (с подшипником) 180 MKL D12
Используется в агрегатах

4550 i
46366701 46366701

BOXGESTELL 46 D4 GESCHW R9005
Используется в агрегатах

12906 i
46367201 46367201

GRIFF SOLO COMFORT R9005
Используется в агрегатах

9227 i
46372201 46372201

Заглушка для мульчирования
Используется в агрегатах

4037 i
463830 463830

HALTESTANGE F?R KLAPPE 46 D4
Используется в агрегатах

1334 i
46393702 46393740

ABDECKUNG COMFORT 46 D4 R3000
Используется в агрегатах

1441 i
47403001 47403001

Рукоятка нижняя часть
Используется в агрегатах

6631 i
474669 474669

Фиксатор троса
Используется в агрегатах

1267 i
479324 479324

SHR DUO-TAP M3X10-C TORX A2K
Используется в агрегатах

1131 i
505075 505075

SHR PT-K 35X14 1451 A2K
Используется в агрегатах

1141 i
505075 505075

SHR PT-K 35X14 1451 A2K
Используется в агрегатах

1141 i
510433 510433

SHR SFS-TAPT 6X12 2016 A3B
Используется в агрегатах

1224 i
510923 510923

Подшипник >>> можно 95030039011
Используется в агрегатах

4375 i
513491 513491

Пружина шпонки
Используется в агрегатах

1138 i
517103 517103

Штуцер для подключения шланга
Используется в агрегатах

1313 i
519554 519554

Шайба пружинная
Используется в агрегатах

1146 i
526611 526611

Винт
Используется в агрегатах

1153 i
52753730 527537

Штифт цилиндрический с головкой
Используется в агрегатах

1173 i
530375 530375

Втулка привода колеса
Используется в агрегатах

3013 i
531275 531275

Шестерня
Используется в агрегатах

3840 i
543474 543474

Защелка
Используется в агрегатах

1153 i
543560 543560

Винт PT-K 40X10 1451 A2K
Используется в агрегатах

1131 i
543560 543560

Винт PT-K 40X10 1451 A2K
Используется в агрегатах

1131 i
544675 544675

Барашек
Используется в агрегатах

1377 i
546217 546217

Шкив редуктора косилки
Используется в агрегатах

6061 i
548171 548171

KEILRIEMEN L=735
Используется в агрегатах

3455 i
700147 703451

SHB 5,3 9021-ST VZ
Используется в агрегатах

941 i
700148 700148

Шайба
Используется в агрегатах

1299 i
700161 705986

Зажимная гильза 5 X 24VZ 1481
Используется в агрегатах

35136 i
700407 700407

Шайба
Используется в агрегатах

810 i
700432 700432

Гайка с нейлон. вкл. DOMED 6 DIN986
Используется в агрегатах

1173 i
700489 700489

Кольцо стопорное
Используется в агрегатах

1163 i
701017 701017

Шайба полиамид
Используется в агрегатах

1131 i
701478 701478

Гайка
Используется в агрегатах

1153 i
701672 701672

Винт барашка
Используется в агрегатах

1234 i
701686 701686

Винт 5*16
Используется в агрегатах

1160 i
701889 701889

Шайба
Используется в агрегатах

1141 i
701972 701972

Шайба
Используется в агрегатах

1153 i
702475 702475

SHB FAECHER- A 6,4 DIN6798 VZ
Используется в агрегатах

1131 i
702737 702737

Винт 4,8*19
Используется в агрегатах

1153 i
703301 703301

FED PASS 4X4X40 6885
Используется в агрегатах

919 i
703703 703703

Винт
Используется в агрегатах

1826 i
704068 704068

Шпонка
Используется в агрегатах

1153 i
704272 704272

Шайба
Используется в агрегатах

1138 i
704536 704536

Гайка
Используется в агрегатах

1124 i
704538 704538

Шайба
Используется в агрегатах

1138 i
704545 704545

Болт
Используется в агрегатах

1202 i
705077 705077

Болт
Используется в агрегатах

2022 i
705596 705596

SHR 6X 22 DIN6912- 8.8 A3B
Используется в агрегатах

1224 i
705597 705597

KABELSCHELLE D8 72571 A3B
Используется в агрегатах

1292 i
705598 705598

MU VKT 6 562-04 A3B
Используется в агрегатах

1153 i
746006 746006

Гайка
Используется в агрегатах

1173 i
746006 746006

Гайка
Используется в агрегатах

1173 i