Разработано в Германии Напрямую от Импортера Доставка по России

"2 | Solo by AL-KO газонокосилка-робот Robolinho® 1200 W Артикул: 127570 | Двигатель, платы | АЛКО ЗАПЧАСТИ | ПО РОССИИ | СПБ"

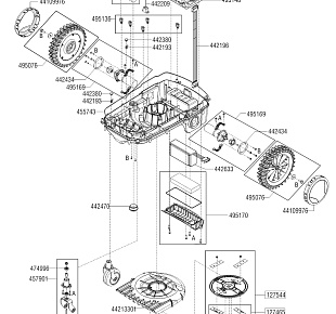
Ссылка № АртикулИспользуется штук Наименование Цена
442192 442192

MIKROSCHALTER+KABEL STOPP ROBO GEN III
Используется в агрегатах

4119 i
442195 442195

KABELBAUM LADEK-PLATINE ROBO GEN III
Используется в агрегатах

2207 i
442464 442464

DICHTRING 78 X 86 X 7 ROBO GEN III
Используется в агрегатах

2450 i
442630 442630

DISPLAY ROBOM?HER STANDARDLIQUID
Используется в агрегатах

13449 i
44264901 44264901

CHASSIS U ROBO GEN III + 1200/2000 R9005
Используется в агрегатах

11680 i
457730 457730

H?LLENAUSLENK ROBO GEN III KPL K?
Используется в агрегатах

8090 i
457764 457764

KIT F?R M?HMOTOR AL-KO GEN III KPL
Используется в агрегатах

34004 i
457766 457766

KIT F?R ROBO DECKEL AL-KO SBA
Используется в агрегатах

23145 i
457976 457976

DREHKNOPF ROBO KPL GEN III K?
Используется в агрегатах

4058 i
474222 474222

BEL?FTUNGSELEMENT ROBOLINHO
Используется в агрегатах

3677 i
495068 495068

ABDECKUNG STOPPTA AL-KO ROBO GEN III KPL
Используется в агрегатах

6219 i
495070 495070

H?HENVERSTELLUNG ROBO KPL GEN III AL-KO
Используется в агрегатах

10322 i
495072 495072

PLATINE H?LLENAUSL KPL ROBO GENIII AL-KO
Используется в агрегатах

21003 i
495146 495146

WLAN ROBOLINHO KPL ET-SET
Используется в агрегатах

55882 i