Разработано в Германии Напрямую от Импортера Доставка по России

"3 | Solo by AL-KO газонокосилка-робот Robolinho® 1200 W Артикул: 127570 | Колеса, ножи, двигатели | АЛКО ЗАПЧАСТИ | ПО РОССИИ | СПБ"

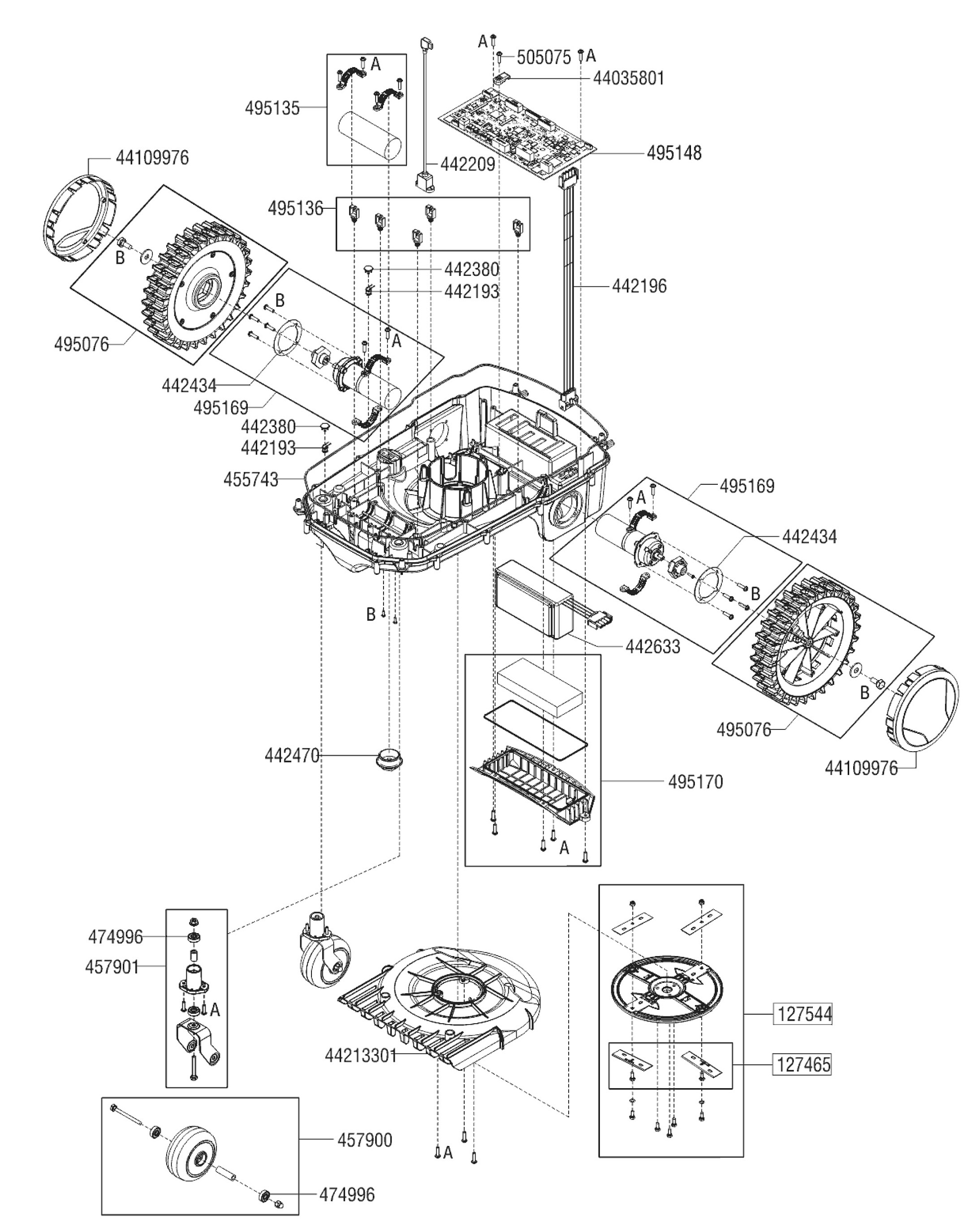
Ссылка № АртикулИспользуется штук Наименование Цена
127465 127465

127465
Используется в агрегатах

17790 i
127544 127544

127544
Используется в агрегатах

19929 i
44035801 44035801

HALTEKLAMMER DECKEL ROBO 100 R9005
Используется в агрегатах

1313 i
44109976 44109976

RADBLENDE AL-KO ROBO GEN III RAL7016
Используется в агрегатах

1513 i
44213301 44213301

MESSERABDECKUNG ROBO GEN III R9005
Используется в агрегатах

3523 i
442193 442193

KABELBAUM SCHLEIFENSENSOREN ROBO GEN III
Используется в агрегатах

5998 i
442196 442196

KABELBAUM BATTERIE ROBO GEN III
Используется в агрегатах

3142 i
442209 442209

USB-SERVICESCHNITTSTELLENKABEL ROBO
Используется в агрегатах

3066 i
442380 442380

VERSCHLUSSKAPPE 9,5X13,5X6 ROBO GEN III
Используется в агрегатах

1182 i
442434 442434

DICHTUNG ANTRIEBSM ROBO GEN III DONGZHEN
Используется в агрегатах

1245 i
442470 442470

DICHTSTOPFEN G1 ZOLL ROBO GEN III
Используется в агрегатах

1533 i
442633 442633

AKKU LI-ION ROBO 7S2P M SAMSUNG 25 R
Используется в агрегатах

101172 i
455743 455743

MOOSGUMMI RUNDSCHNUR 3MM F?R ETL
Используется в агрегатах

2608 i
457900 457900

VORDERRAD ROBO GEN III KPL
Используется в агрегатах

8111 i
457901 457901

VORDERB?GEL ROBO GEN III KPL
Используется в агрегатах

9969 i
474996 474996

LAGER TYP 626 2RSH NIROSTA
Используется в агрегатах

1869 i
495076 495076

ANTRIEBSRAD ROBO AL-KO GEN III KPL ET
Используется в агрегатах

7178 i
495135 495135

ZUSATZGEWICHT+BEFESTIGUNG KPL GENIII+ ET
Используется в агрегатах

8140 i
495136 495136

5 STK. KABELBIN BLINDLOC ROBO GENIII+ ET
Используется в агрегатах

3744 i
495148 495148

HAUPTPLATINE ROBO 1200 W KPL 127570 ET
Используется в агрегатах

129881 i
495169 495169

ANTRIEBSM ROBO GENIII+ DONG ZHENG KPL ET
Используется в агрегатах

43162 i
495170 495170

AKKUFACHDECKEL ROBO GEN III+ KPL ET
Используется в агрегатах

7024 i
505075 505075

SHR PT-K 35X14 1451 A2K
Используется в агрегатах

1141 i
127513 127513

AL-KO набор для прокладки для газонокосилки-робота Артикул: 127513 Набор для прокладки для газонокосилки-робота от AL-KO включает: 1x Пограничный провод 150 м 1x Грунтовые гвозди 90 штук 5x Соединитель
Используется в агрегатах

34189 i
127514 127514

AL-KO набор для прокладки XL для газонокосилки-робота Артикул: 127514 Набор для прокладки для газонокосилки-робота от AL-KO включает: 2x Пограничный провод 150 м 3x Грунтовые гвозди 90 штук 10x Соединитель
Используется в агрегатах

70908 i
127335 127335

Усиленный кабель на катушке (250 м)
Используется в агрегатах

92655 i