Разработано в Германии Напрямую от Импортера Доставка по России

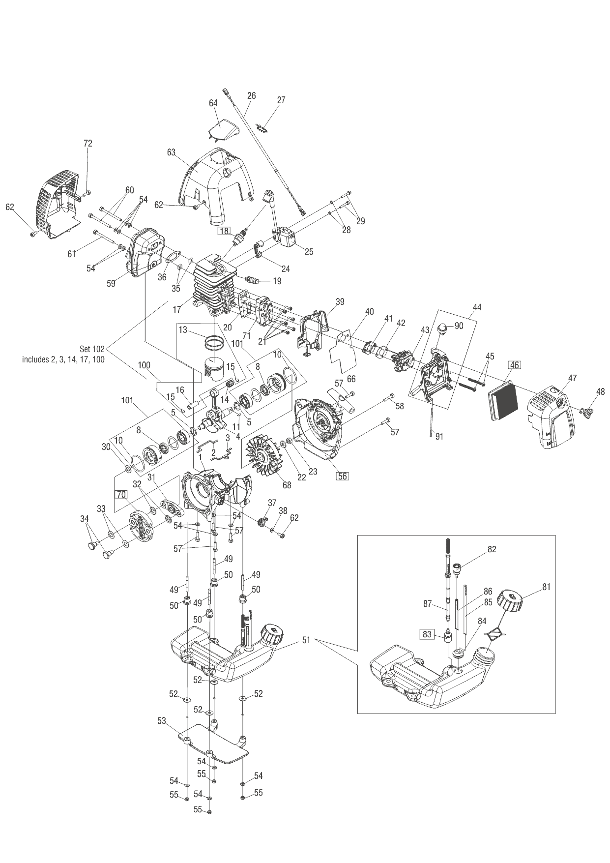
2 ПОРШЕНЬ, ЦИЛИНДР, МАГНЕТО, КАРБЮРАТОР solo by AL-KO мотокоса бензиновая 154 Артикул: 127228

Ссылка № АртикулИспользуется штук Наименование Цена
1 SL2011144

Картер
Используется в агрегатах

14917 i
2 SL2063133

Уплотнение цилиндра
Используется в агрегатах

2443 i
3 SL2063134

Уплотнение цилиндра
Используется в агрегатах

3166 i
4 SL2200112

Коленчатый вал
Используется в агрегатах

23904 i
5 SL0031206

Шайба 15*21*0,3
Используется в агрегатах

1467 i
8 SL0054220

Сальник
Используется в агрегатах

1623 i
10 SL0062290

Уплотнительное кольцо
Используется в агрегатах

2686 i
11 SL0075101

Шпонка
Используется в агрегатах

1153 i
13 SL2048357

Поршневое кольцо
Используется в агрегатах

2433 i
14 SL0052255

Игольчатый подшипник
Используется в агрегатах

4361 i
15 SL0055267

Стопорное кольцо поршневого пальца
Используется в агрегатах

2493 i
16 SL203124925

Поршневой палец
Используется в агрегатах

1895 i
17 sl2200158

Цилиндр
Используется в агрегатах

19231 i
18 577484001

Свеча зажигания короткая юбка - под клюя 19 мм (Made in Czech Republic)
Используется в агрегатах

350 i
19 SL2800570

Декомпрессор
Используется в агрегатах

6008 i
20 SL2061155

Прокладка теплоизолятора
Используется в агрегатах

2493 i
21 SL0018326

Винт М4*16
Используется в агрегатах

1202 i
22 SL0072145

Шайба
Используется в агрегатах

1153 i
23 SL0020145

Гайка М8
Используется в агрегатах

1173 i
24 SL2074881

Изоляционная деталь
Используется в агрегатах

2222 i
25 SL2300217

Модуль зажигания
Используется в агрегатах

10564 i
26 SL0084155

Провод короткого замыкания
Используется в агрегатах

8361 i
27 SL0066455

Хомут
Используется в агрегатах

1224 i
28 SL0030101

Шайба
Используется в агрегатах

1202 i
29 SL0018328

Винт М4*25
Используется в агрегатах

1555 i
30 SL0072120

Шайба
Используется в агрегатах

1869 i
31 SL3016154

Проставка
Используется в агрегатах

4650 i
32 704539

Шайба
Используется в агрегатах

1131 i
33 SL0072174

Шайба
Используется в агрегатах

1776 i
34 SL0018114

Болт М8*20
Используется в агрегатах

2553 i
35 SL0021256

Гайка М5
Используется в агрегатах

1153 i
36 SL2061441

Прокладка глушителя
Используется в агрегатах

1470 i
37 SL2074106

Заглушка
Используется в агрегатах

1284 i
38 SL0072140

Шайба 2*12*0,5
Используется в агрегатах

1131 i
39 SL207460125

Корпус воздушного фильтра
Используется в агрегатах

2226 i
40 SL2061306

Уплотнение карбюратора
Используется в агрегатах

2254 i
41 SL2074314

Пластина
Используется в агрегатах

3373 i
42 SL2061307

Прокладка карбюратора
Используется в агрегатах

2168 i
43 SL2300160

Карбюратор
Используется в агрегатах

40456 i
44 SL2500157

Основание воздушного фильтра в сборе
Используется в агрегатах

13809 i
45 SL0018429

Винт 5*50
Используется в агрегатах

1577 i
46 SL2048154

Воздушный фильтр
Используется в агрегатах

7456 i
47 SL207415625

Крышка воздушного фильтра
Используется в агрегатах

4161 i
48 SL207468225

Винт-барашек
Используется в агрегатах

1819 i
49 SL0015193

Штифт с резьбой
Используется в агрегатах

2268 i
50 SL2074151

Резинка
Используется в агрегатах

1284 i
51 SL27001541

Бак
Используется в агрегатах

36838 i
52 SL0031494

Шайба
Используется в агрегатах

1313 i
53 SL2073170

Защита бака
Используется в агрегатах

4190 i
54 SL0072144

Шайба
Используется в агрегатах

1131 i
55 701503

Шестигранная гайка M5
Используется в агрегатах

1153 i
56 SL2600132

Стартер
Используется в агрегатах

8514 i
57 SL0018337

Винт М5*20
Используется в агрегатах

1202 i
58 SL0018338

Винт М5*25
Используется в агрегатах

1890 i
59 SL2500133

Глушитель
Используется в агрегатах

23751 i
60 SL0018397

Винт М5*65
Используется в агрегатах

1908 i
61 SL0018342

Винт M5*60
Используется в агрегатах

1270 i
62 SL0018335

Винт М5*12
Используется в агрегатах

1182 i
63 2500036

Крышка цилиндра
Используется в агрегатах

11709 i
64 SL207423725

Крышка
Используется в агрегатах

2421 i
68 SL2400154

Маховик
Используется в агрегатах

47658 i
70 SL6900864

Сцепление центробежное
Используется в агрегатах

17861 i
71 SL2074166

Фланец карбюратора
Используется в агрегатах

8111 i
72 SL0018336

Винт М5*16
Используется в агрегатах

1224 i
81 SL2700187

Пробка бензобака
Используется в агрегатах

6018 i
82 SL270041425

Сапун бензобака
Используется в агрегатах

4742 i
83 SL2700141

Топливный фильтр
Используется в агрегатах

3406 i
84 SL0066470

Уплотнение топливных шлангов
Используется в агрегатах

1937 i
85 SL0064251

Топливный шланг
Используется в агрегатах

10945 i
86 SL0064251

Топливный шланг
Используется в агрегатах

10945 i
87 SL6063340

Топливный шланг
Используется в агрегатах

4686 i
90 SL2700448

Праймер подкачки
Используется в агрегатах

2168 i
91 SL0064500

Рукав Прайм/Карбюратор
Используется в агрегатах

Недоступен к заказу

100 SL2200159

Поршень в сборе
Используется в агрегатах

47690 i
101 SL3300143

Сальник с подшипником в сборе
Используется в агрегатах

7991 i
102 sl2200158

Цилиндр
Используется в агрегатах

19231 i