1 РАМА КОЖУХА solo by AL-KO трактор T 15-93.7 HD-A Артикул: 127417 с 02/2019 года
2 РАМА СЦЕПЛЕНИЕ solo by AL-KO трактор T 15-93.7 HD-A Артикул: 127417 с 02/2019 года
3 КОЛЕСА РЕМЕНЬ ШКИВ solo by AL-KO трактор T 15-93.7 HD-A Артикул: 127417 с 02/2019 года
4 КОРОБКА ПЕРЕДАЧ solo by AL-KO трактор T 15-93.7 HD-A Артикул: 127417 с 02/2019 года
5 ПОДКЛЮЧЕНИЕ ПРИВОДА solo by AL-KO трактор T 15-93.7 HD-A Артикул: 127417 с 02/2019 года
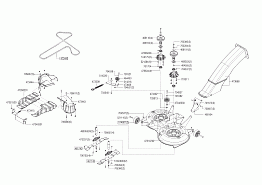
6 ДЕКА РЕМЕНЬ НОЖ АДАПТЕР ШКИВ solo by AL-KO трактор T 15-93.7 HD-A Артикул: 127417 с 02/2019 года
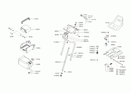
7 АККУМУЛЯТОР solo by AL-KO трактор T 15-93.7 HD-A Артикул: 127417 с 02/2019 года
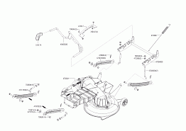
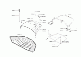
8 ТРАВОСБОРНИК solo by AL-KO трактор T 15-93.7 HD-A Артикул: 127417 с 02/2019 года
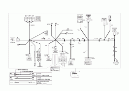
9 ПРОВОДКА solo by AL-KO трактор T 15-93.7 HD-A Артикул: 127417 с 02/2019 года
10 ПРОВОДКА ПОДКЛЮЧЕНИЯ solo by AL-KO трактор T 15-93.7 HD-A Артикул: 127417 с 02/2019 года
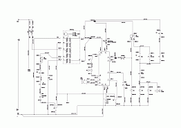
11 ЭЛЕКТРОСХЕМА solo by AL-KO трактор T 15-93.7 HD-A Артикул: 127417 с 02/2019 года